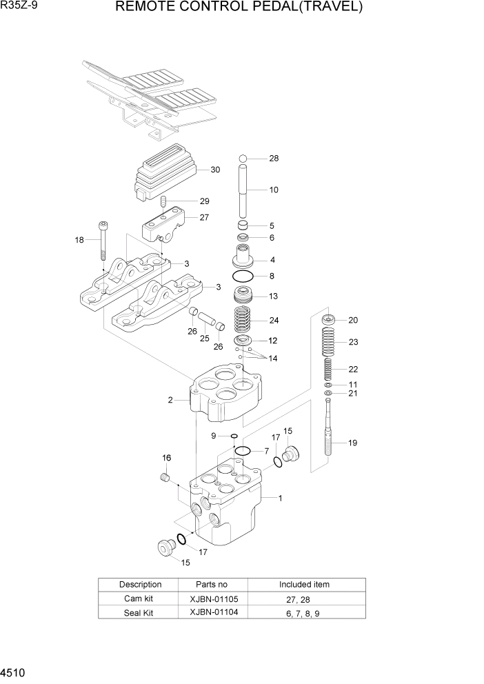
Запчасти Hyundai R35Z9 PAGE 4510 REMOTE CONTROL PEDAL(TRAVEL) ГИДРАВЛИЧЕСКИЕ КОМПОНЕНТЫ

Схема запчастей Hyundai R35Z9 - PAGE 4510 REMOTE CONTROL PEDAL(TRAVEL) ГИДРАВЛИЧЕСКИЕ КОМПОНЕНТЫ
FIT
1:1
100%

Артикул

Название

Примечание

Количество

*

31MH-20030

RCV PEDAL-TRAVEL

1шт.

N1

XJBN-01078

CASING

NOT

1шт.

N2

XJBN-01079

CASING-DAMPER

NOT

1шт.

N3

XJBN-01080

COVER

NOT

2шт.

N4

XJBN-01081

PLUG

NOT

4шт.

N5

XJBN-01082

CAP-GREASE

NOT

4шт.

K6

XJBN-01083

PACKING

4шт.

K7

XJBN-01084

O-RING

4шт.

K8

XJBN-01085

O-RING

4шт.

K9

XJBN-00044

O-RING

2шт.

N10

XJBN-01086

ROD-PUSH

NOT

4шт.

N11

XJBN-01087

SHIM

NOT

4шт.

N12

XJBN-01088

SEAT-SPRING

NOT

4шт.

N13

XJBN-01089

PISTON

NOT

4шт.

N14

XJBN-01090

BALL-STEEL

NOT

12шт.

15

XJBN-00265

PLUG

3шт.

16

XJBN-00032

PLUG

2шт.

17

XJBN-00045

O-RING

3шт.

18

XJBN-01091

SCREW-HEX

4шт.

N19

XJBN-01092

SPOOL

NOT

4шт.

N20

XJBN-01093

SEAT-SPRING

NOT

4шт.

N21

XJBN-01094

WASHER

NOT

4шт.

N22

XJBN-01095

SPRING

NOT

4шт.

N23

XJBN-01096

SPRING

NOT

4шт.

N24

XJBN-01097

SPRING

NOT

4шт.

N25

XJBN-01098

SHAFT-CAM

NOT

2шт.

N26

XJBN-01099

BUSHING

NOT

4шт.

NA27

XJBN-01100

CAM

NOT

2шт.

A28

XJBN-01101

BALL-STEEL

4шт.

N29

XJBN-01102

SCREW-SET

NOT

2шт.

30

XJBN-01103

BELLOWS

2шт.

K

XJBN-01104

SEAL KIT

SEE ILLUST

1шт.

A

XJBN-01105

CAM KIT

SEE ILLUST

1шт.

N

@

NOT SUPPLIED PARTS

NOT

ARшт.

Выбрано товаров: 34