Запчасти Hyundai R55-9 PAGE 8100 DECALS ДРУГИЕ ЧАСТИ

Схема запчастей Hyundai R55-9 - PAGE 8100 DECALS ДРУГИЕ ЧАСТИ
FIT
1:1
100%

Артикул

Название

Примечание

Количество

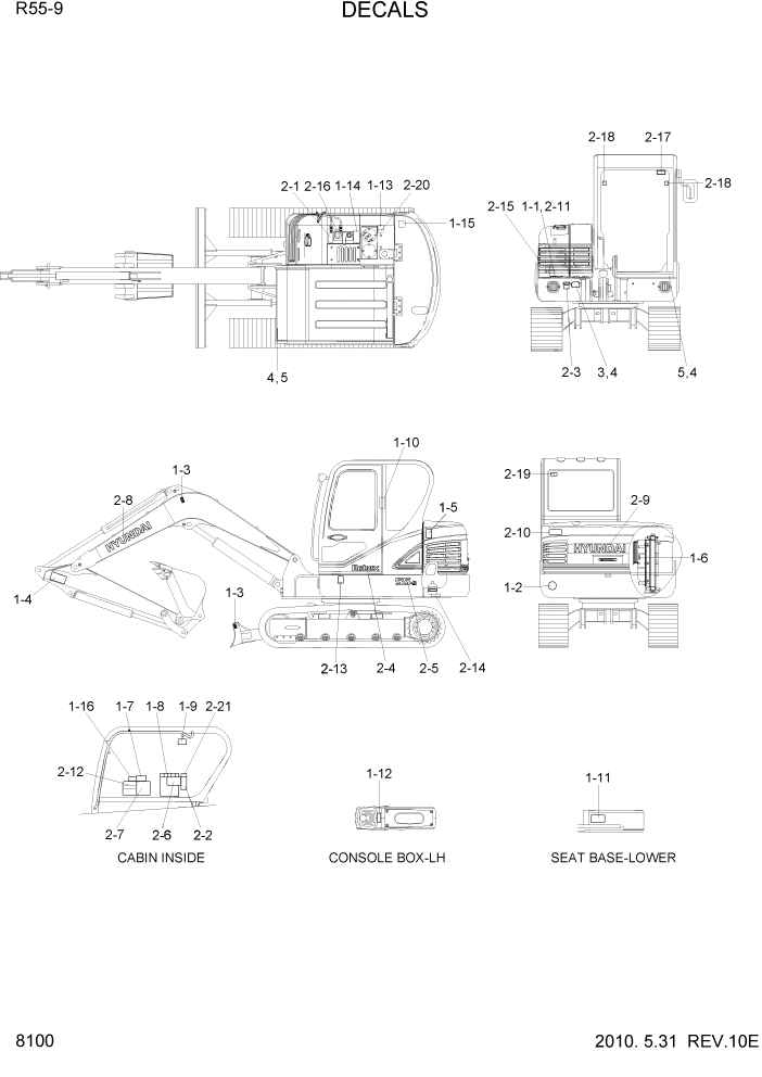
1

91M9-00301

DECAL KIT(A)

#1301

1шт.

1

91M9-00302

DECAL KIT(A)

#1302 - #1395

1шт.

1

91M9-00303

DECAL KIT(A)

#1396

1шт.

1-1

91M8-02120

BATTERY ACCIDENT

1шт.

1-2

91M9-04020

REFLECTING

2шт.

1-3

91M8-05110

LIFTING POINT

4шт.

1-4

91M8-06110

KEEP CLEAR-ATT

2шт.

1-5

91M8-07020

KEEP CLEAR-SIDE

2шт.

1-6

91M8-07110

CAUTION-ENG

1шт.

1-7

91M8-06230

CONTROL-FOREST

WOODGEAB

1шт.

1-7

91M8-06220

CONTROL-SWIVEL

ISO, B/SWING

1шт.

1-7

91M8-06240

CONTROL-SWIVEL

BOOM SWING

1шт.

1-8

91M9-07240

CAUTIONS/CAB

#1301

1шт.

1-8

91M9-07241

DECAL-CAUTIONS/CAB

#1302

1шт.

1-9

91M8-07250

SAFETY-FR WINDOW

2шт.

1-1

91N6-07280

DECAL-HAMMER

1шт.

1-11

91M8-07270

AIRCON FILTER

1шт.

1-12

91M8-07300

DECAL-CONSOLE TILTING

1шт.

1-13

91N6-03111

DECAL-OIL LUBRICATION

1шт.

1-14

91N6-03140

DECAL-FALLING

#1395

1шт.

1-15

91N6-07131

DECAL-NO STEP

#1395

1шт.

1-16

91M8-07350

BOOM SWING LOCK

BOOM SWING

1шт.

2

91M9-30101

DECAL KIT(B)

#1128

1шт.

2

91M9-30102

DECAL KIT(B)

#1129 - #1395

1шт.

2

91M9-30103

DECAL KIT(B)

#1396

1шт.

2-1

91M8-01140

DECAL-FUELING

1шт.

2-2

91M9-04110

DECAL-WARNING/FRAME

1шт.

2-3

91M8-04140

GREASE

1шт.

2-4

91Q6-17112

DECAL-ROBEX LOGO

2шт.

2-5

91M9-10030

DECAL-MODEL NAME

2шт.

2-6

92M9-17170

DECAL-S/INSTRUCTION

1шт.

2-7

91M9-17410

LIFTING CHART

1.6M ARM #1128

1шт.

2-7

91M9-17411

LIFTING CHART

1.6M ARM #1129 - #1395

1шт.

2-7

91M9-17412

LIFTING CHART

1.6M ARM #1396

1шт.

2-7

91M9-17420

LIFTING CHART

1.9M ARM #1128

1шт.

2-7

91M9-17421

LIFTING CHART

1.9M ARM #1129 - #1395

1шт.

2-7

91M9-17422

LIFTING CHART

1.9M ARM #1396

1шт.

2-8

91N6-23050

HYUNDAI LOGO-BOOM

2шт.

2-9

91N6-26080

HYUNDAI LOGO

1шт.

2-1

91M8-07010

KEEP CLEAR-REAR

1шт.

2-11

91M8-02140

ECU CONNECTOR

1шт.

2-12

91M8-07360

MACHINE CTRL-CABIN

PATTERN VALVE

1шт.

2-13

91N6-22080

NOISE LWA-98DB

EU ONLY

1шт.

2-14

91N6-03200

DECAL-ACCUMULATOR

1шт.

2-15

91MJ-02110

DECAL-BATT POSITION

1шт.

2-16

91M8-03001

FUEL-LOW SULFUR

1шт.

2-17

91M9-07150

DECAL-W/WINDOW(FR)

1шт.

2-18

91M9-07110

STAY FIX-CAB

2шт.

2-19

91Q4-02200

DECAL-BEACON LAMP

1шт.

2-2

91Q6-03230

DECAL-FUEL SHUT OFF

#1129

1шт.

2-21

91Q4-07180

DECAL-WATER SEPARATOR

#1129

1шт.

3

91E1-14110

NAME PLATE

#1395

1шт.

3

91LM-14110

DECAL-PIN PLATE

#1396

1шт.

3

91E1-14130

NAME PLATE

EU ONLY

1шт.

4

91EK-12010

RIVET

8шт.

5

91M8-01280

PLATE-ROPS

1шт.

Выбрано товаров: 56