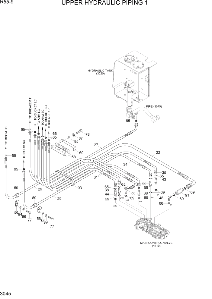
Запчасти Hyundai R55-9 PAGE 3045 UPPER HYDRAULIC PIPING 1 ГИДРАВЛИЧЕСКАЯ СИСТЕМА

Схема запчастей Hyundai R55-9 - PAGE 3045 UPPER HYDRAULIC PIPING 1 ГИДРАВЛИЧЕСКАЯ СИСТЕМА
FIT
1:1
100%

Артикул

Название

Примечание

Количество

22

31M9-11760

HOSE ASSY-ORFS 0X90

1шт.

27

31M9-11840

HOSE ASSY-ORFS 0X90

1шт.

29

31M9-11810

HOSE ASSY-ORFS 0X90

2шт.

31

31M9-11830

HOSE ASSY-ORFS 0X90

2шт.

34

31M9-11870

HOSE ASSY-ORFS 0X90

1шт.

35

31M9-11880

HOSE ASSY-ORFS 0X90

1шт.

38

X511-108534

CONNECTOR-LONG,ORFS

2шт.

43

X511-108533

CONNECTOR-LONG,ORFS

1шт.

44

X511-108535

CONNECTOR-LONG,ORFS

2шт.

48

31M8-10440

ELBOW-90

1шт.

53

X820-085353

TEE-R/TYPE,ORFS

1шт.

56

31M9-10460

CLAMP-HOSE

2шт.

58

31M9-10380

CLAMP-RUBBER

1шт.

59

31M9-10470

GROMMET

2шт.

60

31M9-10410

PLATE

1шт.

65

S621-014001

O-RING

14шт.

66

S621-018001

O-RING

2шт.

69

S631-018004

O-RING

8шт.

77

S015-080456

BOLT-HEX

4шт.

78

S017-100656

BOLT-HEX

2шт.

84

S403-08200B

WASHER-PLAIN

4шт.

85

S403-10200B

WASHER-PLAIN

2шт.

86

S411-080006

WASHER-SPRING

4шт.

87

S411-100006

WASHER-SPRING

2шт.

91

X511-108547

CONNECTOR-LONG,ORFS

1шт.

93

S551-050203

CLAMP-BAND

10шт.

Выбрано товаров: 26