Запчасти Hyundai R140LC9 PAGE 1010 ENGINE MOUNTING СИСТЕМА ДВИГАТЕЛЯ

Схема запчастей Hyundai R140LC9 - PAGE 1010 ENGINE MOUNTING СИСТЕМА ДВИГАТЕЛЯ
FIT
1:1
100%

Артикул

Название

Примечание

Количество

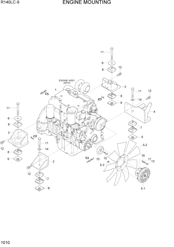
1

11Q4-01012

ENGINE ASSY

1шт.

2

11Q4-00120

BRACKET

1шт.

3

11Q4-00130

BRACKET

2шт.

4

11Q4-00110

BRACKET-COMP

1шт.

5

11Q6-00380

FAN CLUTCH ASSY

1шт.

5-1

11Q6-01180

FAN CLUTCH

1шт.

5-2

11Q6-01220

COOLING FAN

1шт.

5-3

S285-081006

NUT-FLANGED

6шт.

6

11N4-00060-DA

WASHER-MOUNT

2шт.

7

11Q4-10450

RUBBER-MOUNT

YELLOW

4шт.

8

11Q4-10460

RUBBER-MOUNT

WHITE

4шт.

9

11N4-00160

NUT-STOPPER

4шт.

10

11Q4-04000

SPACER

1шт.

11

S017-20135D

BOLT-HEX

4шт.

12

S037-123056

BOLT-W/WASHER

16шт.

13

S027-100306

BOLT-MINI HEX

4шт.

14

S441-160006

WASHER-HARDENED

2шт.

15

S109-100206

BOLT-SOCKET

4шт.

16

S403-10000B

WASHER-PLAIN

4шт.

17

S411-100006

WASHER-SPRING

4шт.

Выбрано товаров: 20