Запчасти Hyundai R140LC9 PAGE 9190 EXHAUST SYSTEM ДВИГАТЕЛЬ БАЗА

Схема запчастей Hyundai R140LC9 - PAGE 9190 EXHAUST SYSTEM ДВИГАТЕЛЬ БАЗА
FIT
1:1
100%

Артикул

Название

Примечание

Количество

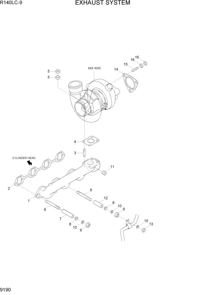
1

XJAF-02343

MANIFOLD-EXHAUST

1шт.

2

XJAF-02344

GASKET-MANIFOLD

2шт.

3

XJAF-00323

STUD

4шт.

4

XJAF-00324

GASKET-EXHAUST

1шт.

5

XJAF-00325

NUT-LOCK

8шт.

6

XJAF-00326

STUD

8шт.

7

XJAF-00327

SPACER

7шт.

8

XJAF-02345

WASHER

8шт.

9

XJAF-00329

NUT-FLANGE

8шт.

10

XJAF-00255

WASHER-SPRING

1шт.

11

XJAF-00330

PLUG-TAPERED

1шт.

12

XJAF-02346

SPACER

1шт.

13

XJAF-02347

NUT-JAM

1шт.

14

XJAF-00334

GASKET

1шт.

15

XJAF-00335

STUD

3шт.

16

XJAF-00325

NUT-LOCK

6шт.

Выбрано товаров: 16