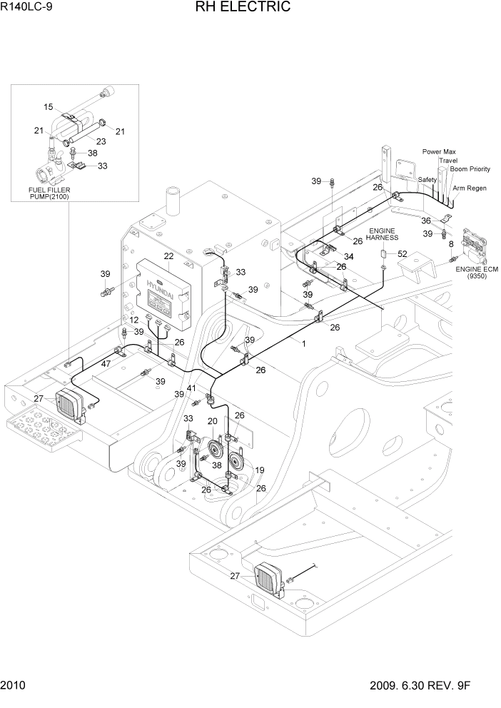
Запчасти Hyundai R140LC9 PAGE 2010 RH ELECTRIC ЭЛЕКТРИЧЕСКАЯ СИСТЕМА

Схема запчастей Hyundai R140LC9 - PAGE 2010 RH ELECTRIC ЭЛЕКТРИЧЕСКАЯ СИСТЕМА
FIT
1:1
100%

Артикул

Название

Примечание

Количество

1

21Q4-60601

HARNESS-FRAME

#0021

1шт.

1

21Q4-60602

HARNESS-FRAME

#0022

1шт.

1-1

21EA-50550

DIODE

NOT SHOWN

1шт.

8

S035-084026

BOLT-W/WASHER

4шт.

15

E127-3158

BAND-FUEL PUMP

1шт.

19

21Q4-30500

HORN-LOW

#0001

1шт.

20

21Q4-30600

HORN-HIGH

#0001

1шт.

21

S520-032000

CLAMP-HOSE

3шт.

22

21Q4-32100

MCU

1шт.

23

21N4-20530

HOSE-OUTLET

1шт.

26

31L7-10190

CLAMP-TUBE

23шт.

27

21QB-60700

WORK LAMP ASSY

2шт.

27-1

S866-240650

BULB

NOT SHOWN

1шт.

33

25D1-10640

CLIP ASSY

4шт.

34

25D1-10650

CLIP ASSY

3шт.

36

21N4-01130

PLATE-CLIP

2шт.

38

S035-082546

BOLT-W/WASHER

10шт.

39

S037-102026

BOLT-W/WASHER

48шт.

41

21Q4-47000

PLATE-BACK BUZZER

1шт.

47

S035-081526

BOLT-W/WASHER

6шт.

52

21N5-20190

PROTECTOR

#0017

1шт.

90

21Q6-50410

ADAPTER

NOT SHOWN

1шт.

Выбрано товаров: 22