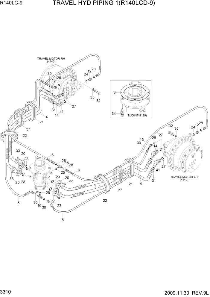
Запчасти Hyundai R140LC9 PAGE 3310 TRAVEL HYD PIPING 1(R140LCD-9) ГИДРАВЛИЧЕСКАЯ СИСТЕМА

Схема запчастей Hyundai R140LC9 - PAGE 3310 TRAVEL HYD PIPING 1(R140LCD-9) ГИДРАВЛИЧЕСКАЯ СИСТЕМА
FIT
1:1
100%

Артикул

Название

Примечание

Количество

3

31N1-40970

GASKET

1шт.

4

P950-127334

HOSE ASSY-ORFS,FLG 0X45

4шт.

5

P920-082035

HOSE ASSY-ORFS 0X45

#0001

2шт.

6

P930-042043

HOSE ASSY-ORFS 0X90

2шт.

12

X500-110001

CONNECTOR-ORFS

2шт.

13

X530-110003

ELBOW-45,ORFS

#0005

2шт.

13

X500-110003

CONNECTOR-ORFS

#0006

2шт.

14

31Q4-41050

ELBOW-15,LONG

2шт.

15

X810-065151

TEE-B/TYPE,ORFS

1шт.

16

X810-085353

TEE-B/TYPE,ORFS

1шт.

20

P173-120102

FLANGE-HYD,SPLIT

8шт.

21

S760-141421

GROMMET

2шт.

22

31E3-3118

GROMMET

2шт.

23

Y171-019001

O-RING

4шт.

24

S631-011004

O-RING

2шт.

25

S631-014004

O-RING

1шт.

26

S631-018004

O-RING

3шт.

27

S631-021004

O-RING

4шт.

28

S621-011001

O-RING

4шт.

30

S621-014001

O-RING

4шт.

31

S621-018001

O-RING

4шт.

32

S017-16050D

BOLT-HEX

40шт.

33

S109-100306

BOLT-SOCKET

16шт.

34

S037-123026

BOLT-W/WASHER

4шт.

35

S441-160006

WASHER-HARDENED

40шт.

37

S552-102370

CLAMP-BAND

6шт.

41

31Q4-41060

ELBOW-15,LONG

2шт.

Выбрано товаров: 0