Запчасти Hyundai R140LC9 PAGE 4150 TRAVEL MOTOR(2/2) ГИДРАВЛИЧЕСКИЕ КОМПОНЕНТЫ

Схема запчастей Hyundai R140LC9 - PAGE 4150 TRAVEL MOTOR(2/2) ГИДРАВЛИЧЕСКИЕ КОМПОНЕНТЫ
FIT
1:1
100%

Артикул

Название

Примечание

Количество

*

@

TRAVEL MOTOR ASSY

NOT

1шт.

*-2

XKAH-01228

CONTROL PART ASSY

1шт.

*-20

XKAH-01229

REAR FLANGE ASSY

1шт.

*-21

XKAH-01230

REAR FLANGE KIT

1шт.

N1

XKAH-01231

FLANGE-REAR

NOT

1шт.

N1

XKAH-01231

FLANGE-REAR

NOT

1шт.

N23

XKAH-01232

MAIN SPOOL-E TYPE

NOT

1шт.

24

XKAH-00789

PLUG-MAIN

2шт.

36

XKAH-00035

O-RING

2шт.

28

XKAH-00785

SPRING-MAIN

2шт.

25

XKAH-00788

RETAINER-SPRING

2шт.

18

XKAH-00793

SEAT-VALVE

1шт.

19

XKAH-00792

VALVE-T

1шт.

20

XKAH-00791

SPRING

1шт.

21

XKAH-00032

PLUG-RO

1шт.

22

XKAH-00461

RING

1шт.

24

XKAH-00789

PLUG-MAIN

2шт.

25

XKAH-00788

RETAINER-SPRING

2шт.

26

XKAH-01233

PLUG-CHECK

2шт.

27

XKAH-01234

VALVE-CHECK

2шт.

28

XKAH-00785

MAIN SPRING

2шт.

30

XKAH-00784

SPRING-CHECK

2шт.

K33

XKAH-00389

O-RING

1шт.

K36

XKAH-00035

O-RING

2шт.

37

XKAH-00256

O-RING

2шт.

K38

XKAH-00035

O-RING

1шт.

41

XKAH-01180

PIN-PARALLEL

1шт.

42

XKAH-01172

PIN-PARALLEL

2шт.

K46

XKAH-00035

O-RING

#0001

2шт.

52

XKAH-00050

PLUG-RO

4шт.

54

XKAH-00208

PLUG-PT

7шт.

38

XKAH-00035

O-RING

1шт.

63

XKAH-00032

PLUG-RO

1шт.

65

XKAH-01235

SPOOL-TWO SPEED

1шт.

66

XKAH-00055

SPRING

1шт.

68

XKAH-00378

BALL-STEEL

2шт.

69

XKAH-00884

SCREW-SET

1шт.

71

XKAH-01179

ORIFICE

1шт.

K74

XKAH-00052

O-RING

4шт.

89

XKAH-01181

NAME PLATE

1шт.

90

XKAH-00116

SCREW-RIVET

2шт.

91

XKAH-00880

PLUG

4шт.

*-3

XKAH-01175

RELIEF VALVE ASSY

2шт.

46

XKAH-00035

O-RING

2шт.

N202

XKAH-01066

SEAT

NOT

1шт.

N203

XKAH-01176

PLUNGER

NOT

1шт.

N204

XKAH-00671

SPRING

NOT

1шт.

205

XKAH-01177

BODY

1шт.

N206

XKAH-00669

SHIM

NOT

1шт.

N207

XKAH-00668

PISTON

NOT

1шт.

N208

XKAH-01178

ROD

NOT

1шт.

N209

XKAH-00666

PLUG

NOT

1шт.

46

XKAH-00035

O-RING

2шт.

K210

XKAH-00665

RING-BACK UP

1шт.

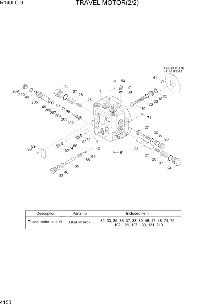
K

XKAH-01457

SEAT KIT

SEE ILLUST

1шт.

N

@

NOT SUPPLIED PARTS

NOT

ARшт.

Выбрано товаров: 56