Запчасти Hyundai R160LC9 PAGE 1070 FUEL TANK СИСТЕМА ДВИГАТЕЛЯ

Схема запчастей Hyundai R160LC9 - PAGE 1070 FUEL TANK СИСТЕМА ДВИГАТЕЛЯ
FIT
1:1
100%

Артикул

Название

Примечание

Количество

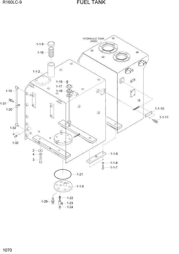
1

@

FUEL & HYD TANK ASSY

NOT

1шт.

1-1

@

FUEL & HYD TANK SUB

NOT

1шт.

1-1-2

31Q5-05012

FUEL TANK WA

1шт.

1-1-5

31N4-02110

COVER-DRAIN

1шт.

1-1-6

31Q4-01220

PLATE

2шт.

1-1-7

S017-20045D

BOLT-HEX

4шт.

1-1-8

S441-200006

WASHER-HARDENED

4шт.

1-1-9

31Q4-02130

FUEL CAP ASSY

1шт.

1-1-10

31Q6-01340

PLATE

2шт.

1-1-11

S037-123026

BOLT-W/WASHER

4шт.

1-15

31N4-02060

GAUGE-LEVEL

1шт.

1-16

31QA-02080

STRAINER

1шт.

1-17

21Q4-10700

SENDER-FUEL

1шт.

1-18

E128-1053

GASKET

1шт.

1-19

S131-051546

SCREW-W/WASHER

5шт.

1-2

S543-180002

CLAMP-TUBE

1шт.

1-21

S632-170001

O-RING

1шт.

1-22

31E5-3049

FITTING

1шт.

1-23

E131-1006

VALVE-NEEDLE

1шт.

1-24

P090-100404

CONNECTOR-HOSE

1шт.

1-29

S037-103026

BOLT-W/WASHER

6шт.

1-31

S035-081516

BOLT-W/WASHER

1шт.

1-32

P090-101208

CONNECTOR-HOSE

W/ F/F PUMP

1шт.

1-32

P220-430204

PLUG-HEX

W/O F/F PUMP

1шт.

2

31N8-01300

SHIM(1.0T)

3шт.

3

S017-20050D

BOLT-HEX

4шт.

4

91E6-60200-DA

WASHER-HARDENED

4шт.

Выбрано товаров: 27