Запчасти Hyundai R160LC9 PAGE 9360 INSTRUMENT 1 ДВИГАТЕЛЬ БАЗА

Схема запчастей Hyundai R160LC9 - PAGE 9360 INSTRUMENT 1 ДВИГАТЕЛЬ БАЗА
FIT
1:1
100%

Артикул

Название

Примечание

Количество

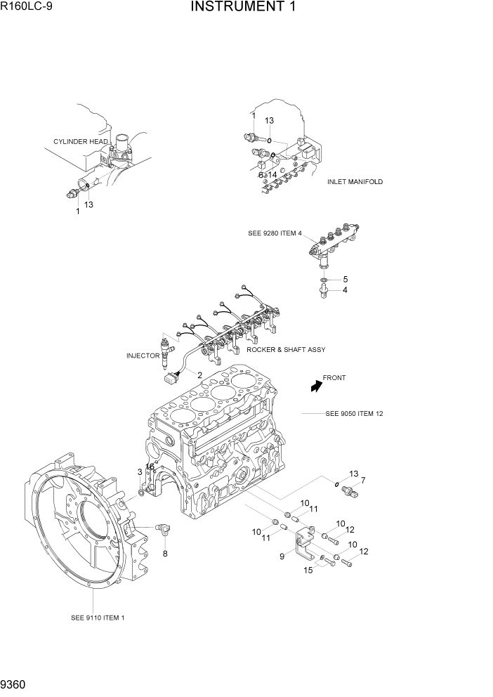
1

XJAF-02453

SENSOR-TEMP

2шт.

2

XJAF-02526

HARNESS-INJECTOR

1шт.

3

XJAF-00560

GASKET-INLET MANIFOLD

1шт.

4

XJAF-02455

SENSOR-RAIL PRESSURE

1шт.

5

XJAF-02456

WASHER-RAIL PRESSURE

1шт.

6

XJAF-02457

SENSOR-BOOST PRESSURE

1шт.

7

XJAF-02458

SENSOR-OIL PRESSURE

1шт.

8

XJAF-02459

SENSOR-CRANK ANGLE

1шт.

9

XJAF-02527

BRACKER-CONNECTOR

1шт.

10

XJAF-02461

MOUNT-RUBBER

8шт.

11

XJAF-02462

BUSH-SPACER

4шт.

12

XJAF-02463

BOLT-HEXAGON SOCKET

3шт.

13

XJAF-02438

O-RING

3шт.

14

XJAF-02464

O-RING

1шт.

15

XJAF-02390

BOLT-W/WASHER

2шт.

16

XJAF-00418

PLUG-DRAIN

1шт.

Выбрано товаров: 0