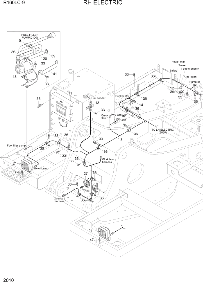
Запчасти Hyundai R160LC9 PAGE 2010 RH ELECTRIC ЭЛЕКТРИЧЕСКАЯ СИСТЕМА

Схема запчастей Hyundai R160LC9 - PAGE 2010 RH ELECTRIC ЭЛЕКТРИЧЕСКАЯ СИСТЕМА
FIT
1:1
100%

Артикул

Название

Примечание

Количество

3

21Q5-10601

HARNESS-FRAME

1шт.

11

21Q5-32101

MCU

1шт.

12

21N4-01130

PLATE-CLIP

1шт.

13

25D1-10640

CLIP ASSY

4шт.

14

25D1-10650

CLIP ASSY

1шт.

16

S035-082526

BOLT-W/WASHER

3шт.

19

E127-3158

BAND-FUEL PUMP

1шт.

20

21N4-20550

HOSE-OUTLET

1шт.

21

21QB-60700

WORK LAMP ASSY

2шт.

21-1

S866-240650

BULB

NOT SHOWN

2шт.

26

21Q4-30600

HORN-HIGH

1шт.

27

21Q4-30500

HORN-LOW

1шт.

33

S037-102026

BOLT-W/WASHER

12шт.

36

31L7-10190

CLAMP-TUBE

13шт.

39

S520-032000

CLAMP-HOSE

3шт.

41

21N6-20080

PLATE-CLAMP

1шт.

47

S037-102526

BOLT-W/WASHER

2шт.

90

21Q6-50410

ADAPTER

NOT SHOWN

1шт.

Выбрано товаров: 18