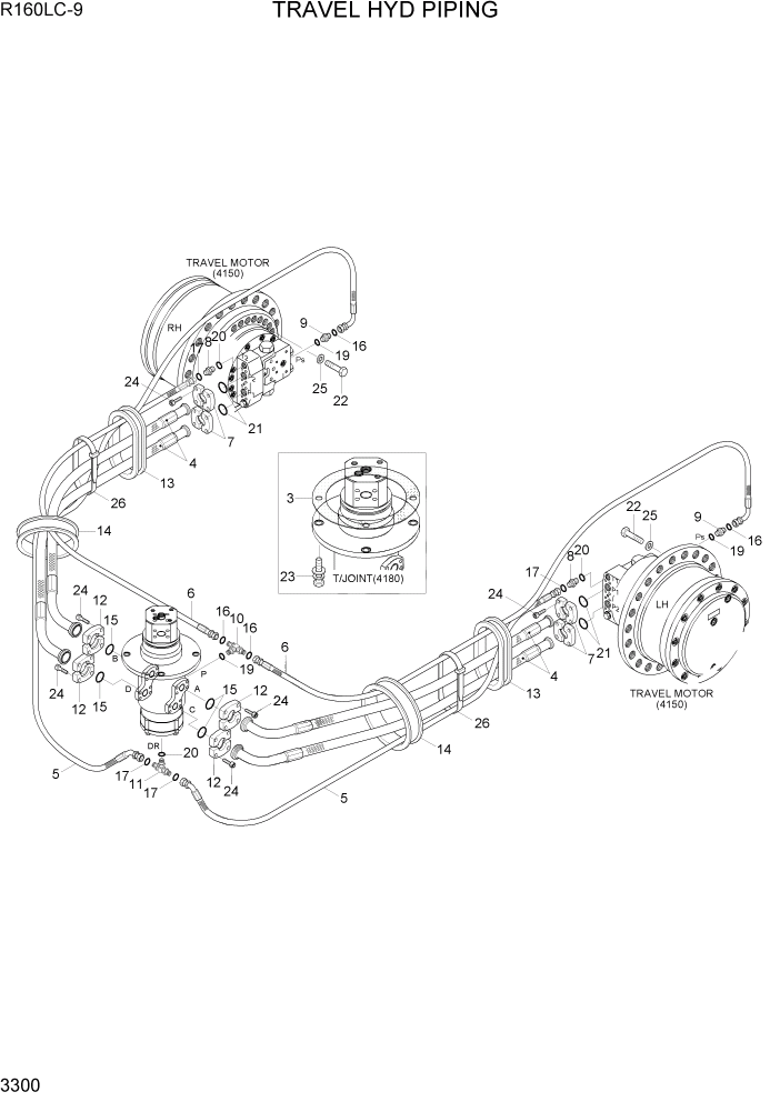
Запчасти Hyundai R160LC9 PAGE 3300 TRAVEL HYD PIPING(R160LC-9) ГИДРАВЛИЧЕСКАЯ СИСТЕМА

Схема запчастей Hyundai R160LC9 - PAGE 3300 TRAVEL HYD PIPING(R160LC-9) ГИДРАВЛИЧЕСКАЯ СИСТЕМА
FIT
1:1
100%

Артикул

Название

Примечание

Количество

3

31N1-40970

GASKET

1шт.

4

31Q5-42010

HOSE ASSY

4шт.

5

P910-082037

HOSE ASSY-ORFS 0X0

2шт.

6

P930-042048

HOSE ASSY-ORFS 0X90

2шт.

7

P173-160104

FLANGE-HYD,SPLIT

4шт.

8

X530-110003

ELBOW-45,ORFS

2шт.

9

X500-110001

CONNECTOR-ORFS

2шт.

10

X810-065151

TEE-B/TYPE,ORFS

1шт.

11

X810-085353

TEE-B/TYPE,ORFS

1шт.

12

P173-120102

FLANGE-HYD,SPLIT

8шт.

13

S760-141216

GROMMET

2шт.

14

31E3-31230

GROMMET

2шт.

15

Y171-019001

O-RING

4шт.

16

S621-011001

O-RING

4шт.

17

S621-014001

O-RING

4шт.

19

S631-011004

O-RING

3шт.

20

S631-018004

O-RING

3шт.

21

Y171-024004

O-RING

4шт.

22

S017-16055D

BOLT-HEX

60шт.

23

S037-123026

BOLT-W/WASHER

4шт.

24

S109-100306

BOLT-SOCKET

32шт.

25

S441-160006

WASHER-HARDENED

60шт.

26

S552-102370

CLAMP-BAND

6шт.

Выбрано товаров: 23