Запчасти Hyundai R180LC9 PAGE 1020 AIR INTAKE SYSTEM СИСТЕМА ДВИГАТЕЛЯ

Схема запчастей Hyundai R180LC9 - PAGE 1020 AIR INTAKE SYSTEM СИСТЕМА ДВИГАТЕЛЯ
FIT
1:1
100%

Артикул

Название

Примечание

Количество

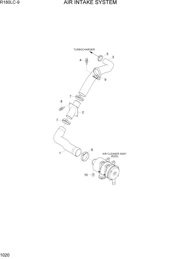
1

11Q5-23000

HOSE

1шт.

2

11N5-23030

PIPE WA

1шт.

3

11N5-23020

HOSE

1шт.

4

S035-083526

BOLT-W/WASHER

1шт.

5

11N6-20231

CLAMP-T BOLT

1шт.

6

11LB-40220

CLAMP-HOSE

1шт.

7

11LB-40280

CLAMP-T BOLT

2шт.

8

S035-082026

BOLT-W/WASHER

4шт.

9

11N4-25032

CLAMP

1шт.

10

11FG-20110

SENSOR-AIR CLEANER

1шт.

Выбрано товаров: 10