Запчасти Hyundai R180LC9 PAGE 9230 OIL COOLER ДВИГАТЕЛЬ БАЗА

Схема запчастей Hyundai R180LC9 - PAGE 9230 OIL COOLER ДВИГАТЕЛЬ БАЗА
FIT
1:1
100%

Артикул

Название

Примечание

Количество

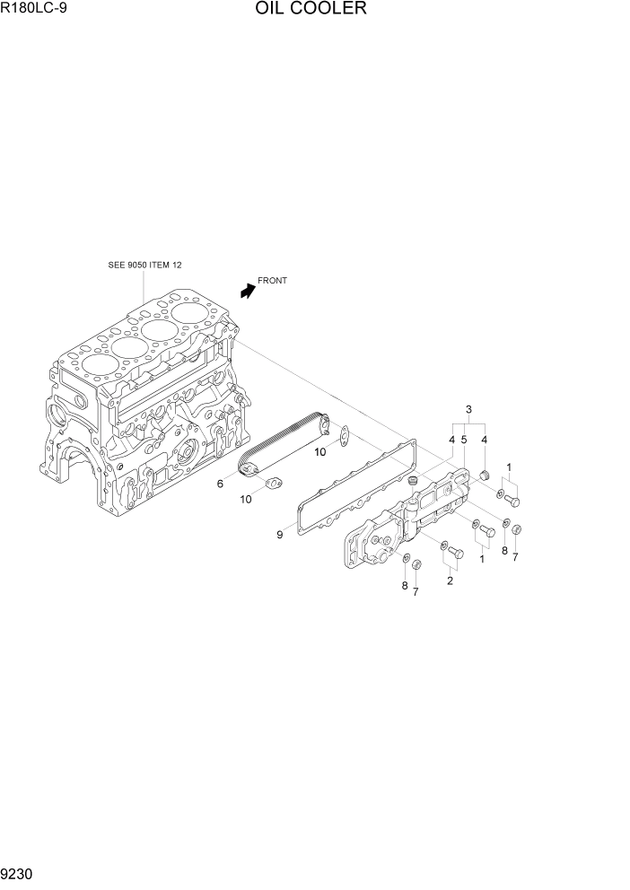
1

XJAF-02313

BOLT-W/WASHER

3шт.

2

XJAF-02359

BOLT-W/WASHER

9шт.

3

XJAF-02360

COVER ASSY-COOLER

INCL 4,5

1шт.

4

XJAF-01152

PLUG-TAPERED

2шт.

5

@

COVER-OIL COOLER

NOT

1шт.

6

XJAF-02361

ELEMENT-OIL COOLER

1шт.

7

XJAF-00380

NUT-LOCK

4шт.

8

XJAF-00255

WASHER-SPRING

4шт.

9

XJAF-00381

GASKET-OIL COOLER

1шт.

10

XJAF-00382

GASKET-O/C ELEMENT

2шт.

Выбрано товаров: 10