Запчасти Hyundai R210LC9 PAGE 1020 AIR INTAKE SYSTEM СИСТЕМА ДВИГАТЕЛЯ

Схема запчастей Hyundai R210LC9 - PAGE 1020 AIR INTAKE SYSTEM СИСТЕМА ДВИГАТЕЛЯ
FIT
1:1
100%

Артикул

Название

Примечание

Количество

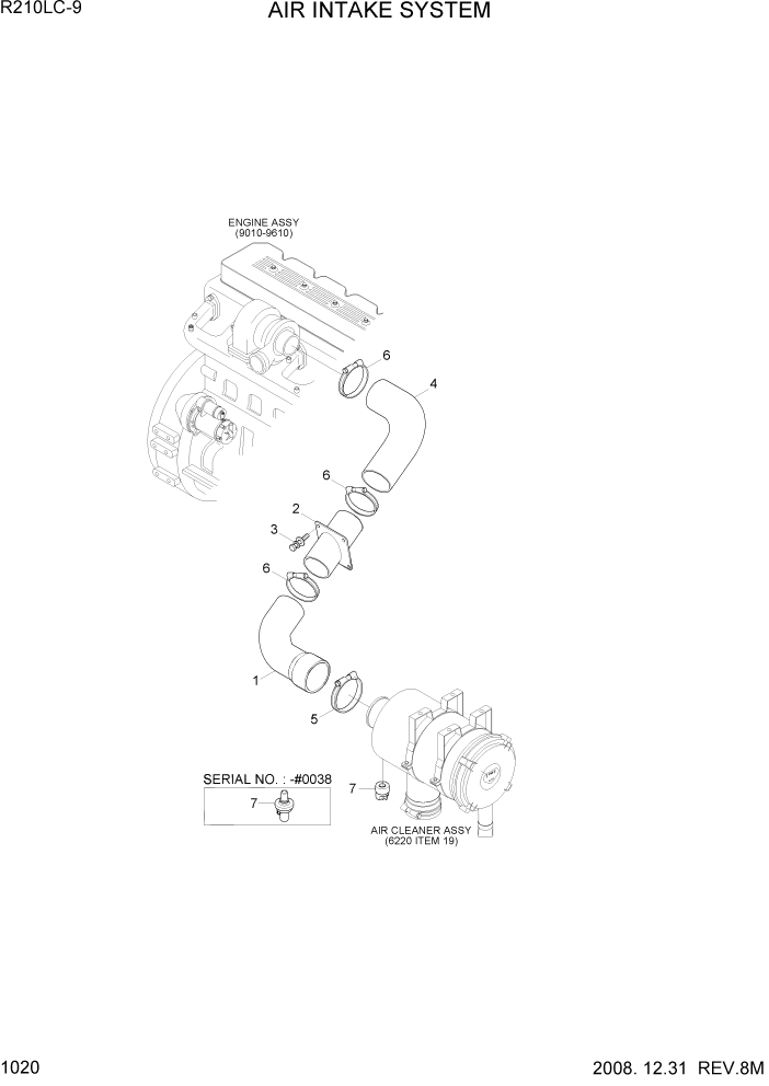
1

11Q6-20070

HOSE-INTAKE(A)

1шт.

2

11N6-23520

HOSE-INTAKE(A)

1шт.

3

S037-122526

BOLT-W/WASHER

4шт.

4

11N6-23310

HOSE-AIR INTAKE

1шт.

5

11LB-40220

CLAMP-HOSE

1шт.

6

11LB-40310

CLAMP-HOSE

3шт.

7

21L7-20100

SWITCH-AIR CLEANER

#0038

1шт.

7

11FG-20110

SENSOR-AIR CLEANER

#0039

1шт.

Выбрано товаров: 8