Запчасти Hyundai R210LC9 PAGE 2040 ENGINE ELECTRIC ЭЛЕКТРИЧЕСКАЯ СИСТЕМА

Схема запчастей Hyundai R210LC9 - PAGE 2040 ENGINE ELECTRIC ЭЛЕКТРИЧЕСКАЯ СИСТЕМА
FIT
1:1
100%

Артикул

Название

Примечание

Количество

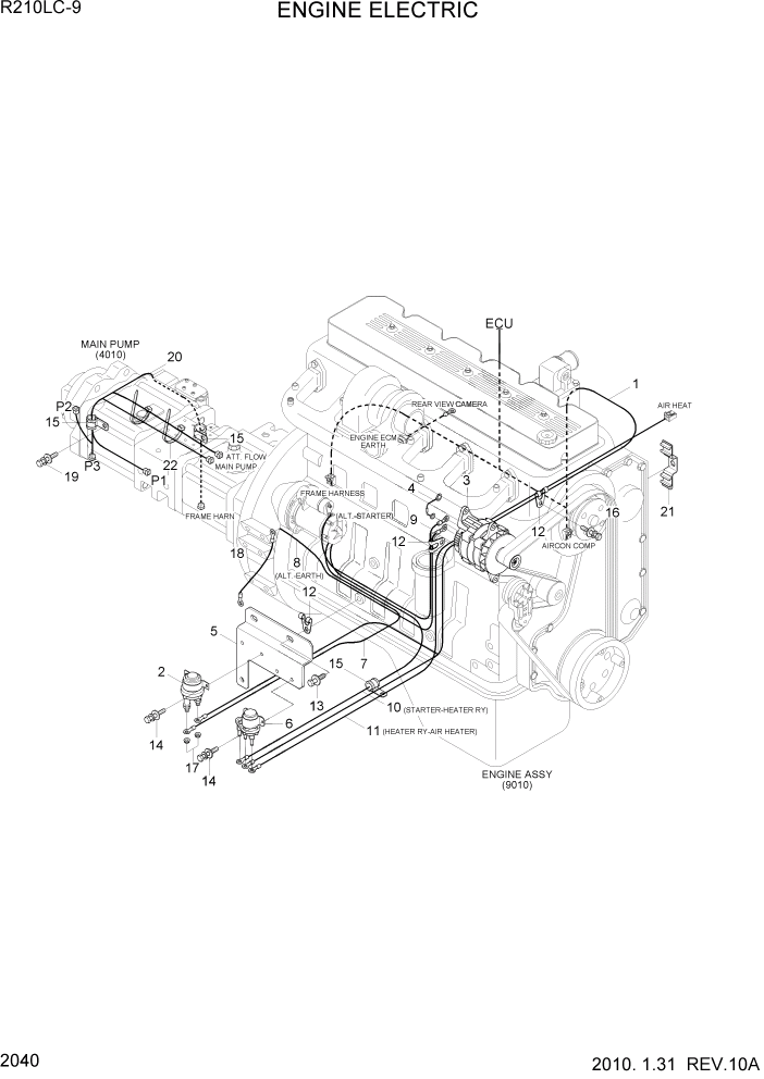
1

21Q6-10201

HARNESS-ENGINE

#0006

1шт.

1

21Q6-10202

HARNESS-ENGINE

#0007 - #0119

1шт.

1

21Q6-10203

HARNESS-ENGINE

#0120 - #0169

1шт.

1

21Q6-10204

HARNESS-ENGINE

#0170

1шт.

2

21N6-30120

RELAY-START

1шт.

3

21E6-40030

ALTERNATOR ASSY

#0169

1шт.

3

21Q6-41000

ALTERNATOR ASSY

#0170

1шт.

4

21E1-21120

WIRE LINK-ALTERNATOR

1шт.

5

21Q6-40181

BRACKET

1шт.

6

21N8-42050

RELAY-HEATER

1шт.

7

21N8-40071

HARNESS-RELAY

1шт.

8

21N8-40080

CABLE(ALT-EARTH)

1шт.

9

21N8-10200

CABLE(ALT-STARTER)

#0169

1шт.

9

21N8-10201

CABLE(ALT-STARTER)

#0170

1шт.

10

21LC-40061

CABLE(STARTER-HEAT RY)

1шт.

11

21LF-20141

CABLE(HEAT RY-AIR HEAT)

1шт.

12

21E9-00170

CLIP-HARNESS

5шт.

13

S037-122056

BOLT-W/WASHER

3шт.

14

S035-061526

BOLT-W/WASHER

4шт.

15

31L7-10190

CLAMP-TUBE

3шт.

16

S035-081526

BOLT-W/WASHER

1шт.

17

S285-061002

NUT-FLANGED

2шт.

18

21NA-10500

CABLE(MASTER SW-EARTH)

1шт.

19

S035-082026

BOLT-W/WASHER

1шт.

20

21Q6-10302

HARNESS-PUMP PS

OPTION #0177

1шт.

20

21Q6-10303

HARNESS-PUMP PS

OPTION #0178

1шт.

21

21N4-01130

PLATE-CLIP

1шт.

22

S552-050203

CLAMP-BAND

2шт.

9

21N8-10200

CABLE(ALT-STARTER)

1шт.

10

21LC-40061

CABLE(STARTER-HEAT RY)

1шт.

11

21LF-20141

CABLE(HEAT RY-AIR HEAT)

1шт.

12

21E9-00170

CLIP-HARNESS

5шт.

13

S037-122056

BOLT-W/WASHER

3шт.

14

S035-061526

CLIP-HARNESS

4шт.

15

31L7-10190

CLAMP-TUBE,INS SINGLE

2шт.

16

S035-081526

BOLT-W/WASHER

2шт.

17

31L7-10200

CLAMP

1шт.

18

21NA-10500

CABLE(MASTER SW-EARTH)

1шт.

19

S035-082026

BOLT-W/WASHER

1шт.

20

21Q6-10301

HARNESS-PUMP PS

OPTION

1шт.

Выбрано товаров: 0