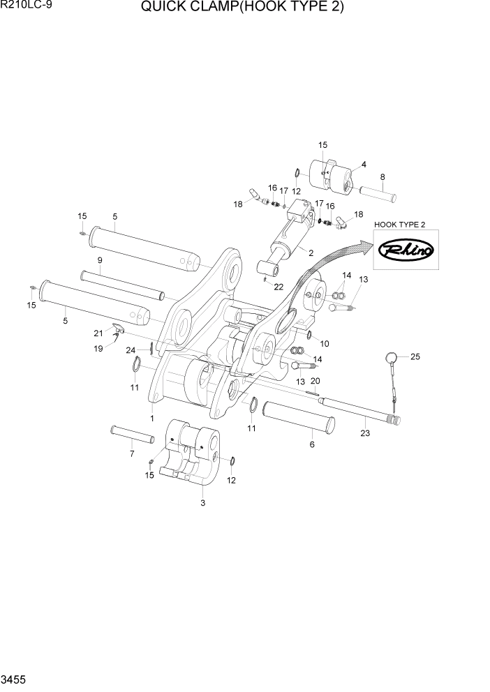
Запчасти Hyundai R210LC9 PAGE 3455 QUICK CLAMP(HOOK TYPE 2) ГИДРАВЛИЧЕСКАЯ СИСТЕМА

Схема запчастей Hyundai R210LC9 - PAGE 3455 QUICK CLAMP(HOOK TYPE 2) ГИДРАВЛИЧЕСКАЯ СИСТЕМА
FIT
1:1
100%

Артикул

Название

Примечание

Количество

*

31N6-96710GG

QUICK CLAMP ASSY

HOOK TYPE 2

1шт.

1

XKBP-00245

BODY ASSY

1шт.

2

XKBP-00246

CYLINDER ASSY

1шт.

3

XKBP-00247

HOOK ASSY

1шт.

4

XKBP-00248

LOCK ASSY

1шт.

5

XKBP-00249

PIN-BRACKET

2шт.

6

XKBP-00250

PIN-HOOK

1шт.

7

XKBP-00251

PIN-JOINT

1шт.

8

XKBP-00252

PIN-JOINT

1шт.

9

XKBP-00253

PIN-LOCK

1шт.

10

XKBP-00054

RING-SNAP

2шт.

11

XKBP-00010

RING-SNAP

1шт.

12

XKBP-00254

RING-SNAP

2шт.

13

XKBP-00055

BOLT-HEX

2шт.

14

XKBP-00014

NUT-HEX

4шт.

15

XKBP-00015

NIPPLE-GREASE

5шт.

16

XKBP-00057

ADAPTER

2шт.

17

XKBP-00019

O-RING

2шт.

18

XKBP-00058

HOSE

2шт.

19

XKBP-00211

SPRING

1шт.

20

XKBP-00022

PIN-SPRING

1шт.

21

XKBP-00212

STOPPER

1шт.

22

XKBP-00024

NIPPLE-GREASE

1шт.

23

XKBP-00255

PIN-STOPPER

1шт.

24

XKBP-00243

PIN-SNAP

1шт.

25

XKBP-00241

WIRE ASSY

1шт.

Выбрано товаров: 26