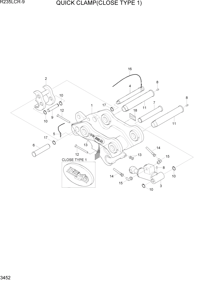
Запчасти Hyundai R235LCR9 PAGE 3452 QUICK CLAMP(CLOSE TYPE 1) ГИДРАВЛИЧЕСКАЯ СИСТЕМА

Схема запчастей Hyundai R235LCR9 - PAGE 3452 QUICK CLAMP(CLOSE TYPE 1) ГИДРАВЛИЧЕСКАЯ СИСТЕМА
FIT
1:1
100%

Артикул

Название

Примечание

Количество

*

31N6-96860GG

QUICK CLAMP ASSY

CLOSE TYPE 1

1шт.

1

XKBN-00212

BODY

1шт.

2

XKBN-00208

HITCH

1шт.

3

XKBN-00209

CYLINDER ASSY

1шт.

4

XKBN-00149

PIN-SAFETY

1шт.

5

XKBN-00163

PIN-SNAP

1шт.

6

XKBN-00203

PIN-HITCH

1шт.

7

XKBN-00204

PIN-FRAME

2шт.

8

XKBN-00009

NIPPLE-GREASE

3шт.

9

XKBN-00152

PIN-CYLINDER

1шт.

10

XKBN-00109

RING-SNAP

4шт.

11

XKBN-00153

PIN-BRACKET

2шт.

12

XKBN-00205

BOLT-HEX

2шт.

13

XKBN-00196

NUT-HEX

4шт.

14

XKBN-00112

HOSE-PROTECTOR

2шт.

15

XKBN-00016

ELBOW-90

2шт.

16

XKBN-00083

WIRE ASSY

1шт.

17

XKBN-00116

LATCH & SPRING

2шт.

18

XKBN-00210

NAME PLATE

1шт.

Выбрано товаров: 19