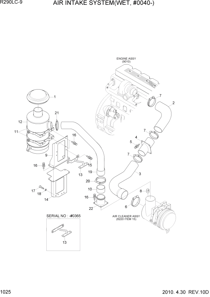
Запчасти Hyundai R290LC9 PAGE 1025 AIR INTAKE SYSTEM(WET, #0040-) СИСТЕМА ДВИГАТЕЛЯ

Схема запчастей Hyundai R290LC9 - PAGE 1025 AIR INTAKE SYSTEM(WET, #0040-) СИСТЕМА ДВИГАТЕЛЯ
FIT
1:1
100%

Артикул

Название

Примечание

Количество

*

@

AIR INTAKE

NOT #0040

1шт.

1

11Q8-22040

CAP-RAIN

1шт.

2

11Q8-20070

HOSE

1шт.

3

11Q8-20030

HOSE-INTAKE(A)

1шт.

4

11Q8-20090

CONNECTOR-PIPE

1шт.

5

S037-122526

BOLT-W/WASHER

4шт.

6

11LB-40190

CLAMP-HOSE

1шт.

7

11LB-40310

CLAMP-T BOLT

3шт.

8

11FG-20110

SENSOR-AIR CLEANER

1шт.

9

11NB-27011

BRACKET

1шт.

10

11FG-20110

SENSOR-AIR CLEANER

1шт.

11

11QB-20070

CLAMP ASSY

2шт.

12

11NB-20200

AIR CLEANER-WET

1шт.

13

11Q8-22070

BRACKET ASSY

#0365

1шт.

13

11Q8-22071

BRACKET ASSY

#0366

1шт.

14

11Q8-22050

SUPPORT

1шт.

15

S037-123526

BOLT-W/WASHER

4шт.

16

S037-123026

BOLT-W/WASHER

12шт.

17

S017-140406

BOLT-HEX

4шт.

18

S403-142006

WASHER-PLAIN

4шт.

19

11Q8-22060

HOSE

1шт.

20

11LB-40240

CLAMP-HOSE

1шт.

21

11Q8-20170

CLAMP-HOSE

1шт.

22

11Q8-20160

PIPE-CONNECT

1шт.

Выбрано товаров: 0