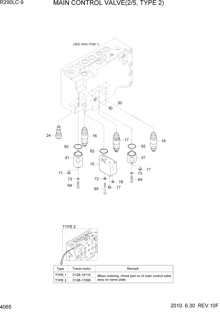
Запчасти Hyundai R290LC9 PAGE 4065 MAIN CONTROL VALVE(2/5, TYPE 2) ГИДРАВЛИЧЕСКИЕ КОМПОНЕНТЫ

Схема запчастей Hyundai R290LC9 - PAGE 4065 MAIN CONTROL VALVE(2/5, TYPE 2) ГИДРАВЛИЧЕСКИЕ КОМПОНЕНТЫ
FIT
1:1
100%

Артикул

Название

Примечание

Количество

*

@

MAIN CONTROL VALVE

NOT #0500

1шт.

15

31N8-17350

VALVE-REGENERATION

1шт.

16

31Q8-17790

PORT RELIEF VALVE ASSY

2шт.

17

31Q8-17810

PORT RELIEF VALVE ASSY

1шт.

24

31N8-17460

NEGACON VALVE ASSY

1шт.

30

31N4-17900

PLUG KIT

1шт.

37

31N8-18130

COVER A-PILOT

3шт.

41

31Q8-18890

COVER ASSY-PILOT

1шт.

62

31N8-19630

O-RING

4шт.

64

S107-080454

BOLT-SOCKET

8шт.

65

S107-080904

BOLT-SOCKET

3шт.

73

S411-080006

WASHER-SPRING

11шт.

77

31N8-19450

CAP-DUST

3шт.

78

31N8-19460

CAP-DUST

1шт.

Выбрано товаров: 14