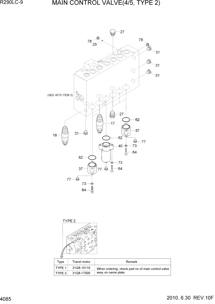
Запчасти Hyundai R290LC9 PAGE 4085 MAIN CONTROL VALVE(4/5, TYPE 2) ГИДРАВЛИЧЕСКИЕ КОМПОНЕНТЫ

Схема запчастей Hyundai R290LC9 - PAGE 4085 MAIN CONTROL VALVE(4/5, TYPE 2) ГИДРАВЛИЧЕСКИЕ КОМПОНЕНТЫ
FIT
1:1
100%

Артикул

Название

Примечание

Количество

*

@

MAIN CONTROL VALVE

NOT #0500

1шт.

17

31Q8-17810

PORT RELIEF VALVE ASSY

1шт.

18

31Q8-17830

PORT RELIEF VALVE ASSY

1шт.

25

31N8-17440

ORIFICE-SIGNAL

1шт.

27

31N8-17380

PLUG-OVERLOAD

2шт.

31

31N8-17550

PLUG

4шт.

37

31N8-18130

COVER A-PILOT

5шт.

40

31Q8-18750

COVER B3-PILOT

1шт.

62

31N8-19630

O-RING

6шт.

64

S107-080454

BOLT-SOCKET

12шт.

73

S411-160006

WASHER-SPRING

12шт.

77

31N8-19450

CAP-DUST

6шт.

78

31N8-19460

CAP-DUST

2шт.

Выбрано товаров: 13