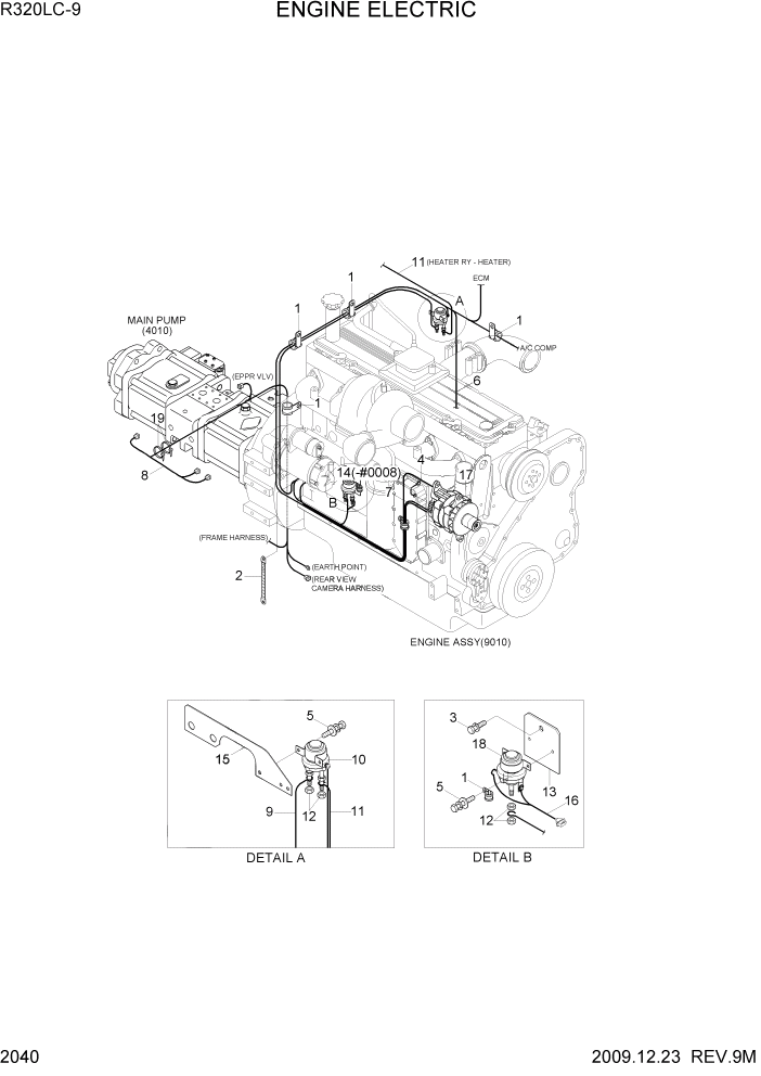
Запчасти Hyundai R320LC9 PAGE 2040 ENGINE ELECTRIC ЭЛЕКТРИЧЕСКАЯ СИСТЕМА

Схема запчастей Hyundai R320LC9 - PAGE 2040 ENGINE ELECTRIC ЭЛЕКТРИЧЕСКАЯ СИСТЕМА
FIT
1:1
100%

Артикул

Название

Примечание

Количество

1

21E9-00170

CLIP-HARNESS

9шт.

2

21EH-30720

STRAP-EARTH

1шт.

3

S035-081526

BOLT-W/WASHER

1шт.

4

21Q9-40080

CABLE(ALT-EARTH)

1шт.

5

S035-061526

BOLT-W/WASHER

4шт.

6

21Q9-10201

HARNESS-ENGINE

#0008

1шт.

6

21Q9-10202

HARNESS-ENGINE

#0009

1шт.

7

21LC-40071

CABLE(ALT-STARTER)

#0008

1шт.

7

21LC-40072

CABLE(ALT-STARTER)

#0009

1шт.

8

21Q9-10301

HARNESS-PUMP PS

OPT, PUMP PRESS

1шт.

9

21Q9-20450

CABLE(HEATER RY-START)

1шт.

10

21N8-42050

RELAY-HEATER

1шт.

11

21LB-20460

CABLE(HEATER RY-HEAT)

1шт.

12

S285-061002

NUT-FLANGED

2шт.

13

21N8-12090

BRACKET-RELAY

1шт.

14

21E1-21120

WIRE LINK-ALTERNATOR

#0008

1шт.

15

21N9-40040

PLATE

1шт.

16

21EA-00190

HARNESS-EXT,START RY

1шт.

17

21E6-40030

ALTERNATOR ASSY

#0008

1шт.

17

21Q6-41000

ALTERNATOR ASSY

#0009

1шт.

18

21N6-30120

RELAY-START

1шт.

19

S552-050203

CLAMP-BAND

2шт.

Выбрано товаров: 22