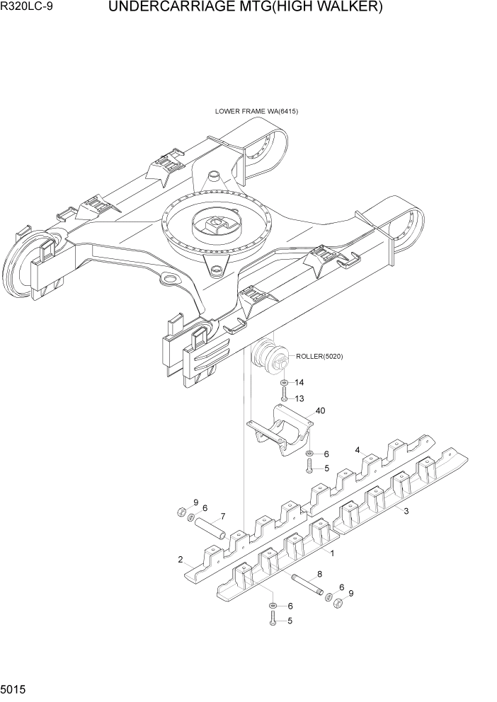
Запчасти Hyundai R320LC9 PAGE 5015 UNDERCARRIAGE MTG(HIGH WALKER) ХОДОВАЯ ЧАСТЬ

Схема запчастей Hyundai R320LC9 - PAGE 5015 UNDERCARRIAGE MTG(HIGH WALKER) ХОДОВАЯ ЧАСТЬ
FIT
1:1
100%

Артикул

Название

Примечание

Количество

1

81N8-36010BG

T/GUARD WA-FR,LH

2шт.

2

81N8-36020BG

T/GUARD WA-FR,RH

2шт.

3

81N8-36030BG

T/GUARD WA-RR,LH

2шт.

4

81N8-36040BG

T/GUARD WA-RR,RH

2шт.

5

S017-24050D

BOLT-HEX

48шт.

6

S441-240006

WASHER-HARDENED

72шт.

7

81N8-36130GG

SPACER

12шт.

8

S017-24360D

BOLT-HEX

12шт.

9

S205-24100B

NUT-HEX

12шт.

13

S017-20100D

BOLT-HEX

88шт.

14

S441-200006

WASHER-HARDENED

88шт.

40

81N8-33010BG

GUARD WA-TRACK

4шт.

Выбрано товаров: 12