Запчасти Hyundai R360LC9 PAGE 6300 GROMMET GROUP СТРУКТУРА

Схема запчастей Hyundai R360LC9 - PAGE 6300 GROMMET GROUP СТРУКТУРА
FIT
1:1
100%

Артикул

Название

Примечание

Количество

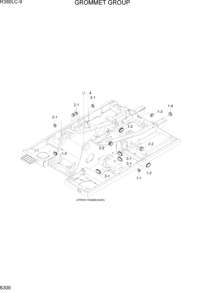
1

41QA-50011

GROMMET KIT(A)

1шт.

1-1

S760-071400

GROMMET

2шт.

1-2

S760-112010

GROMMET

2шт.

1-3

S760-111400

GROMMET

1шт.

1-4

S760-102200

GROMMET

2шт.

1-5

S760-041010

GROMMET

1шт.

2

41QA-50021

GROMMET KIT(B)

1шт.

2-1

S760-041000

GROMMET

4шт.

2-2

S760-102200

GROMMET

3шт.

3

41QA-50030

GROMMET KIT(C)

1шт.

3-1

S760-071812

GROMMET

5шт.

4

S981-242500

PLUG

6шт.

Выбрано товаров: 0