Запчасти Hyundai R360LC9 PAGE 1050 COOLING SYSTEM СИСТЕМА ДВИГАТЕЛЯ

Схема запчастей Hyundai R360LC9 - PAGE 1050 COOLING SYSTEM СИСТЕМА ДВИГАТЕЛЯ
FIT
1:1
100%

Артикул

Название

Примечание

Количество

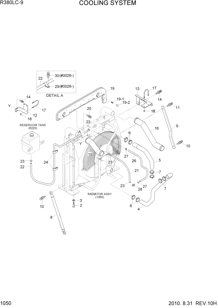
2

S017-16045D

BOLT-HEX

6шт.

3

S441-160006

WASHER-HARDENED

6шт.

4

11Q9-40292

HOSE-LOWER

1шт.

5

11Q9-40242

HOSE-UPPER

1шт.

6

S572-720006

CLAMP-HOSE,WIRE TYPE

4шт.

7

S572-750006

CLAMP-HOSE,WIRE TYPE

4шт.

8

11N8-46150

STAY

1шт.

9

11Q9-40710

STAY-BAR

1шт.

10

S037-123026

BOLT-W/WASHER

3шт.

11

S037-102556

BOLT-W/WASHER

1шт.

12

11Q9-40382

BEACKET

#0179

1шт.

12

11Q9-40383

BRACKET

#0180

1шт.

13

11Q9-40392

BRACKET

1шт.

14

S037-102526

BOLT-W/WASHER

8шт.

15

11QA-40113

PIPE-CAC

1шт.

16

11QA-40103

PIPE-CAC

1шт.

17

11N6-43280-DA

U-BOLT

4шт.

18

S275-12000B

NUT-SELF LOCKING

8шт.

19

11Q9-40402

SCREEN ASSY

#0087

1шт.

19

11Q9-40403

SCREEN ASSY

#0088

1шт.

19-1

71EM-51590

STUD BOLT

#0088

1шт.

19-2

71EM-51580

CAP-STUD BOLT

#0088

1шт.

20

S035-082026

BOLT-W/WASHER

8шт.

21

12L1-3011

HOSE-AIR VENT

1шт.

22

11Q6-40110

HOSE-OVER FLOW

#0017

1шт.

22

E111-2504

HOSE

#0018

1шт.

23

S520-017000

CLAMP-HOSE

#0025

4шт.

23

S520-015000

CLAMP-HOSE

#0026

4шт.

24

31L7-10340

CLAMP-TUBE,INS

2шт.

26

11QB-40180

HOSE-MAKE UP

1шт.

27

S520-035000

CLAMP-HOSE

#0025

2шт.

27

S572-340006

CLAMP-HOSE,WIRE TYPE

#0026

2шт.

28

14L4-01650

CONNECTOR-HOSE

1шт.

29

31L7-10190

CLAMP-TUBE

#0026

1шт.

30

S037-101526

BOLT-W/WASHER

#0026

1шт.

28

14L4-01650

CONNECTOR-HOSE

1шт.

Выбрано товаров: 36