Запчасти Hyundai R360LC9 PAGE 3540 ARM SAFETY LOCK SYSTEM ГИДРАВЛИЧЕСКАЯ СИСТЕМА

Схема запчастей Hyundai R360LC9 - PAGE 3540 ARM SAFETY LOCK SYSTEM ГИДРАВЛИЧЕСКАЯ СИСТЕМА
FIT
1:1
100%

Артикул

Название

Примечание

Количество

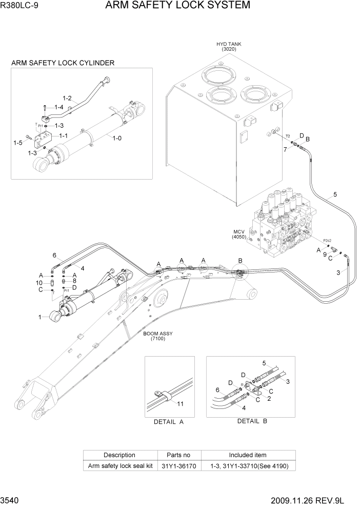
1

31QA-52130

ARM CYL ASSY-VLV

1шт.

1

@

ARM CYL SUB ASSY

NOT

1шт.

1-1

31QA-55030

VALVE-SAFETY LOCK

1шт.

1-2

31Y1-36160

PIPE ASSY-RV

1шт.

K1-3

Y171-024004

O-RING

2шт.

1-4

S107-120606

BOLT-SOCKET

4шт.

1-5

S107-120556

BOLT-SOCKET

4шт.

2

31N6-90660

TERMIANL-SAFETY VLV

1шт.

3

P930-042054

HOSE ASSY-ORFS 0X90

1шт.

4

P930-042118

HOSE ASSY-ORFS 0X90

BM 6.5M

1шт.

4

P930-042114

HOSE ASSY-ORFS 0X90

BM 6.15M #0027

1шт.

4

P930-042162

HOSE ASSY-ORFS,0X90

BM 8.6M #0027

1шт.

5

P930-062071

HOSE ASSY-ORFS 0X90

1шт.

6

P930-062118

HOSE ASSY-ORFS 0X90

BM 6.5M

1шт.

6

P930-062114

HOSE ASSY-ORFS 0X90

BM 6.15M #0027

1шт.

6

P930-062162

HOSE ASSY-ORFS,0X90

BM 8.6M #0027

1шт.

7

X500-110002

CONNECTOR-ORFS

1шт.

8

X500-110011

CONNECTOR-ORFS

1шт.

9

X820-045151

TEE-R/TYPE,ORFS

1шт.

10

X511-104513

CONNECTOR-LONG,ORFS

1шт.

11

31QA-90500

CLAMP-HOSE

3шт.

A

S631-011004

O-RING

3шт.

B

S631-014004

O-RING

1шт.

C

S621-011001

O-RING

3шт.

D

S621-012001

O-RING

4шт.

K

31Y1-36170

SEAL KIT

SEE ILLUST

1шт.

Выбрано товаров: 26