Запчасти Hyundai R480LC9 PAGE 1010 ENGINE MOUNTING СИСТЕМА ДВИГАТЕЛЯ

Схема запчастей Hyundai R480LC9 - PAGE 1010 ENGINE MOUNTING СИСТЕМА ДВИГАТЕЛЯ
FIT
1:1
100%

Артикул

Название

Примечание

Количество

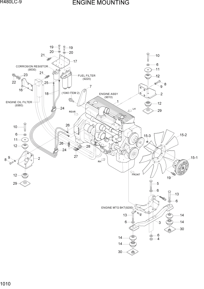
1

11QB-00010

ENGINE ASSY

SEE 9010

1шт.

2

11NB-00031

BRACKET WA-REAR

2шт.

3

14E7-00731

HANGER WA

1шт.

4

S205-20100B

NUT-HEX

4шт.

5

S017-20110D

BOLT-HEX

2шт.

6

S441-200006

WASHER-HARDENED

8шт.

7

11NB-00080

BRACKET-LIFT

1шт.

8

S017-16050D

BOLT-HEX

8шт.

9

S403-161006

WASHER-PLAIN

8шт.

10

11QB-02150

BOLT-HEX

2шт.

11

14E7-01340

WASHER-REBOUND

2шт.

12

14E7-01550

RUBBER-MOUNT

4шт.

13

11QB-02160

BOLT-HEX

2шт.

14

14E7-01310

RUBBER-MOUNT

4шт.

15

11Q6-00410

FAN CLUTCH ASSY

1шт.

15-1

11Q6-01170

CLUTCH-FAN

1шт.

15-2

11Q6-01210

FAN

1шт.

15-3

S285-081006

NUT-FLANGED

6шт.

16

11QB-00081

BRACKET MTG

1шт.

17

11QB-00100

BRACKET-FILTER MTG

1шт.

18

11QB-40300

HOSE-OVER FLOW

2шт.

19

S087-060246

BOLT-HEX,UNIFIED

14шт.

20

S403-10100B

WASHER-PLAIN

8шт.

21

S037-103026

BOLT-W/WASHER

7шт.

22

S017-20065D

BOLT-HEX

2шт.

23

S403-201006

WASHER-PLAIN

4шт.

24

31L7-10210

CLAMP-TUBE,INS SINGLE

2шт.

25

S520-015000

CLAMP-HOSE

4шт.

26

S037-101526

BOLT-W/WASHER

1шт.

27

31L7-10240

CLAMP-TUBE

1шт.

28

31L7-10220

CLAMP-TUBE,INS

1шт.

29

11QB-02130

NUT-STOPPER

2шт.

30

11QB-02140

NUT-STOPPER

2шт.

Выбрано товаров: 33