Запчасти Hyundai R480LC9 PAGE 3510 ARM SAFETY LOCK SYSTEM ГИДРАВЛИЧЕСКАЯ СИСТЕМА

Схема запчастей Hyundai R480LC9 - PAGE 3510 ARM SAFETY LOCK SYSTEM ГИДРАВЛИЧЕСКАЯ СИСТЕМА
FIT
1:1
100%

Артикул

Название

Примечание

Количество

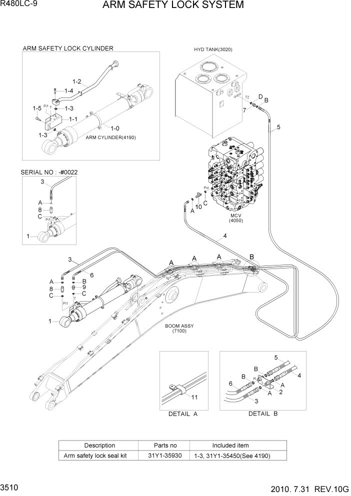
1

31QB-52130

ARM CYL ASSY-SAFETY

1шт.

1

@

ARM CYL SUB ASSY

NOT

1шт.

1-1

31QB-55030

VALVE-SAFETY LOCK

1шт.

1-2

31Y1-35430

PIPE ASSY-RV

1шт.

K1-3

Y171-024004

O-RING

2шт.

1-4

S107-120606

BOLT-SOCKET

4шт.

1-5

S107-120556

BOLT-SOCKET

4шт.

2

31N6-90660

TERMIANL-SAFETY VLV

1шт.

3

P910-042124

HOSE ASSY-ORFS 0X0

7.06M ARM #0022

1шт.

3

P930-042124

HOSE ASSY

7.06M ARM #0023

1шт.

3

P930-042116

HOSE ASSY-ORFS 0X90

6.55M ARM #0028

1шт.

3

P930-042157

HOSE ASSY-ORFS 0X90

9.0M ARM #0028

1шт.

4

P930-042046

HOSE ASSY-ORFS 0X90

1шт.

5

P930-062072

HOSE ASSY-ORFS 0X90

1шт.

6

P930-062119

HOSE ASSY-ORFS 0X90

7.06M ARM #0022

1шт.

6

P930-062124

HOSE ASSY

7.06M ARM #0023

1шт.

6

P930-062116

HOSE ASSY-ORFS 0X90

6.55M ARM #0028

1шт.

6

P930-062157

HOSE ASSY-ORFS 0X90

9.0M ARM #0028

1шт.

7

X500-110002

CONNECTOR-ORFS

1шт.

8

X511-104513

CONNECTOR-LONG,ORFS

1шт.

9

X500-110011

CONNECTOR-ORFS

1шт.

10

X820-045151

TEE-R/TYPE,ORFS

1шт.

11

31QB-50210

CLAMP

3шт.

A

S621-011001

O-RING

4шт.

B

S621-012001

O-RING

4шт.

C

S631-011004

O-RING

3шт.

D

S631-014004

O-RING

1шт.

K

31Y1-35930

SEAL KIT

SEE ILLUST

1шт.

Выбрано товаров: 28