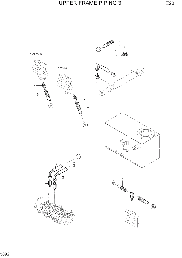
Запчасти Hyundai R15-7 PAGE 5092 UPPER FRAME PIPING 3 ГИДРАВЛИЧЕСКИЕ ТРУБОПРОВОДЫ

Схема запчастей Hyundai R15-7 - PAGE 5092 UPPER FRAME PIPING 3 ГИДРАВЛИЧЕСКИЕ ТРУБОПРОВОДЫ
FIT
1:1
100%

Артикул

Название

Примечание

Количество

1

XJDH-00448

NIPPLE-HOSE

2шт.

2

XJDH-01324

HOSE(M)

1шт.

3

XJDH-02982

HOSE(N)

1шт.

4

XJDH-00467

ELBOW-MALE 90

2шт.

5

XJDH-00503

NIPPLE-HOSE

2шт.

6

XJDH-03002

HOSE(TR)

1шт.

7

XJDH-03013

HOSE(TL)

1шт.

Выбрано товаров: 0