Запчасти Hyundai R22-7 PAGE A020 OIL PAN & GEAR CASE ДВИГАТЕЛЬ БАЗА

Схема запчастей Hyundai R22-7 - PAGE A020 OIL PAN & GEAR CASE ДВИГАТЕЛЬ БАЗА
FIT
1:1
100%

Артикул

Название

Примечание

Количество

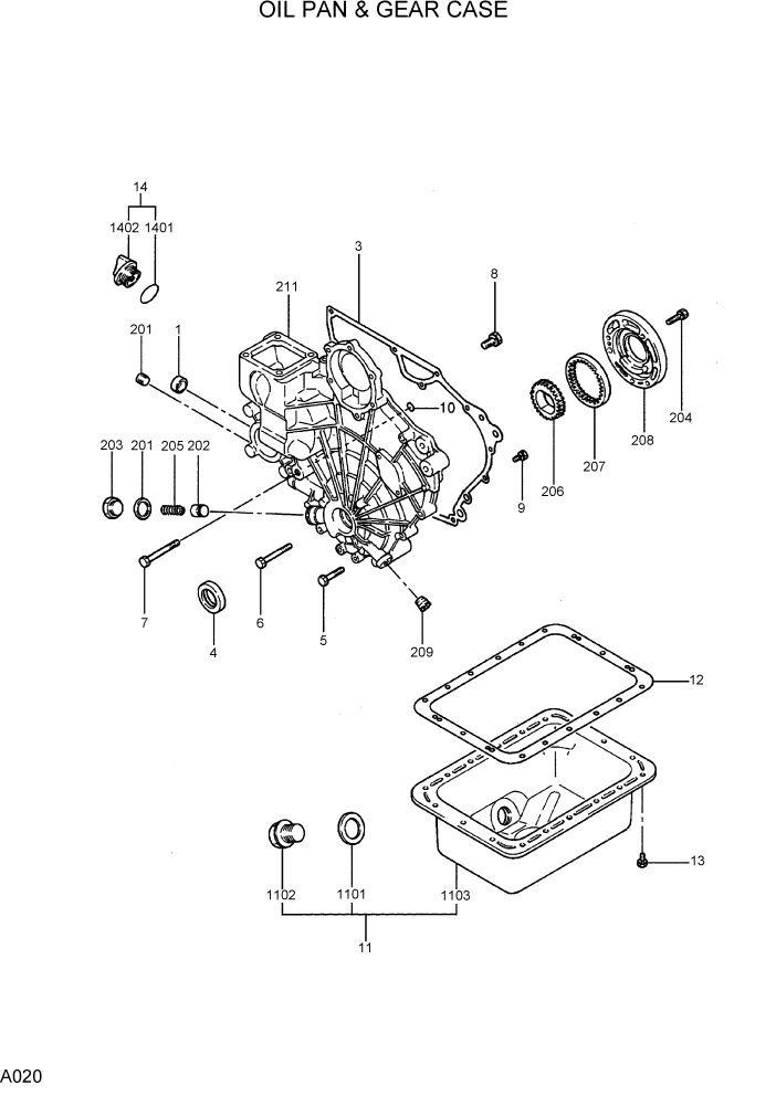
1

XJAF-02118

CAP-SEALING

1шт.

2

XJAF-01575

CASE ASSY-GEAR

1шт.

201

XJAF-01111

GASKET

1шт.

202

XJAF-01939

PLUNGER

1шт.

203

XJAF-01110

PLUG,DRAIN

1шт.

204

XJAF-01982

BOLT-W/WASHER

3шт.

205

XJAF-02159

SPRING-RELIEF

1шт.

206

XJAF-02169

GEAR-OIL PUMP INNER

1шт.

207

XJAF-02170

GEAR-OIL PUMP OUTER

1шт.

208

XJAF-02183

HOUSING-OIL PUMP

1шт.

209

XJAF-02230

PLUG-TAPER

1шт.

210

XJAF-00201

PLUG-TAPER

1шт.

211

XJAF-01574

CASE SUB ASSY-GEAR

1шт.

3

XJAF-01577

GASKET-GEAR CASE

1шт.

4

XJAF-01944

SEAL-OIL

1шт.

5

XJAF-01966

BOLT

3шт.

6

XJAF-01968

BOLT

4шт.

7

XJAF-01970

BOLT

1шт.

8

XJAF-01976

BOLT W/WASHER

3шт.

9

XJAF-01979

BOLT-W/WASHER

4шт.

10

XJAF-02012

O-RING

2шт.

11

XJAF-02202

PAN ASSY-OIL

1шт.

1101

XJAF-01111

GASKET

1шт.

1102

XJAF-01932

PLUG-OIL DRAIN

1шт.

N1103

@

PAN SUB ASSY-OIL

NOT

1шт.

12

XJAF-01579

GASKET-OIL PAN

1шт.

13

XJAF-01978

BOLT-W/WASHER

18шт.

14

XJAF-02032

CAP ASSY-OIL FILTER

1шт.

1401

XJAF-02013

O-RING

1шт.

N1402

@

CAP-OIL FILTER

NOT

1шт.

N

@

NOT INDIVIDUALLY SUPPLIED

NOT

ARшт.

Выбрано товаров: 31