Запчасти Hyundai R28-7 PAGE 2001 SWING POST РАБОЧАЯ СХЕМА

Схема запчастей Hyundai R28-7 - PAGE 2001 SWING POST РАБОЧАЯ СХЕМА
FIT
1:1
100%

Артикул

Название

Примечание

Количество

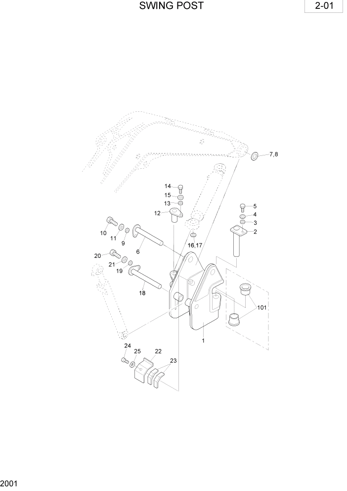
1

XJDH-01822

SWING POST ASSY

1шт.

101

XJDH-01829

BUSHING

2шт.

2

XJDH-01475

PIN ASSY-SWING POST

1шт.

3

XJDH-01148

COLLAR-POST PIN

1шт.

4

XJDH-01149

WASHER

1шт.

5

XJDH-00083

BOLT

1шт.

6

XJDH-01478

PIN

1шт.

7

XJDH-01194

SHIM(C, 0.5T)

ARшт.

8

XJDH-01195

SHIM(D, 1.0T)

ARшт.

9

XJDH-01191

COLLAR

1шт.

10

XJDH-00070

BOLT

1шт.

11

XJDH-00280

WASHER

1шт.

12

XJDH-01476

PIN

1шт.

13

XJDH-01181

COLLAR

1шт.

14

XJDH-00070

BOLT

1шт.

15

XJDH-00280

WASHER

1шт.

16

XJDH-01192

SHIM(A, 0.5T)

ARшт.

17

XJDH-01193

SHIM(B, 1.0T)

ARшт.

18

XJDH-01479

PIN

1шт.

19

XJDH-01181

COLLAR

1шт.

20

XJDH-00070

BOLT

1шт.

21

XJDH-00280

WASHER

1шт.

22

XJDH-01468

COVER-HOSE

1шт.

23

XJDH-01469

PLATE-RUBBER

2шт.

24

XJDH-00057

BOLT

2шт.

25

XJDH-00278

WASHER

2шт.

Выбрано товаров: 26