Качественные детали и логистика
Оригинальные и аналоговые запчасти с доставкой по России, Казахстану и Беларуси
©2022 PartSell ООО "Система" ИНН 2463123282 ОГРН 1212400004838
Центральный офис: г. Красноярск, Академика Киренского, д.87, пом.4
Телефон: 8 (800) 777-65-74 Email: zakaz@partsell.ru
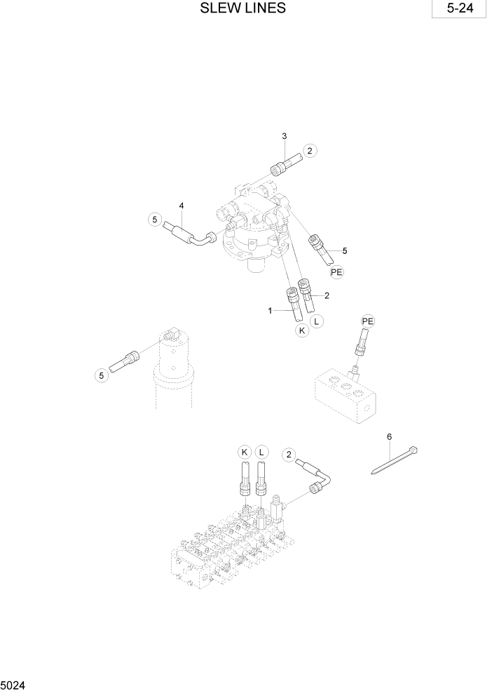
PAGE 5024 SLEW LINES
№
Артикул
Название
Примечание
Количество
1
XJDH-02060
HOSE(K)
1шт.
2
XJDH-02061
HOSE(L)
3
XJDH-02008
HOSE(2)
4
XJDH-02017
HOSE(5)
5
XJDH-02032
HOSE(PE)
6
XJDH-00707
BAND-NYLON
5шт.
Выбрано товаров: 0