Запчасти Hyundai R35-7 PAGE 9220 GOVERNOR ДВИГАТЕЛЬ БАЗА

Схема запчастей Hyundai R35-7 - PAGE 9220 GOVERNOR ДВИГАТЕЛЬ БАЗА
FIT
1:1
100%

Артикул

Название

Примечание

Количество

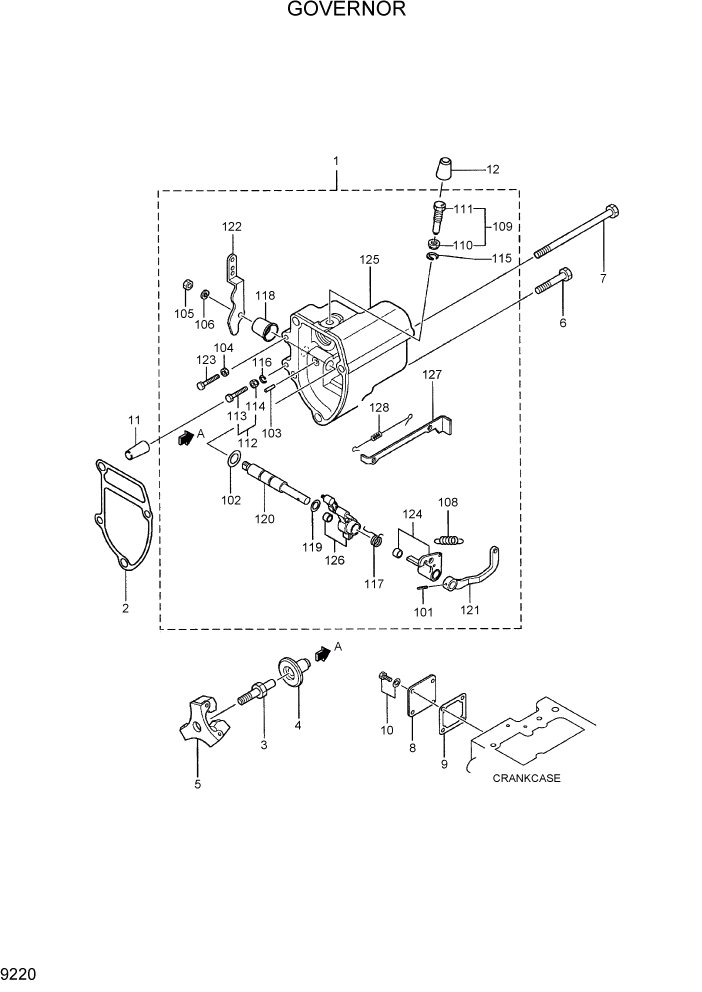
1

XJAF-01737

CASE ASSY-GOVERNOR

1шт.

101

XJAF-01872

PIN-SPRING

1шт.

102

XJAF-01873

O-RING

1шт.

103

XJAF-01883

PIN-GROOVED

1шт.

104

XJAF-01989

NUT

1шт.

105

XJAF-01994

NUT-JAM

1шт.

106

XJAF-02002

WASHER-SPRING

1шт.

108

XJAF-02164

SPRING

1шт.

109

XJAF-01607

SCREW-RACK SET

1шт.

110

XJAF-01611

NUT

1шт.

111

XJAF-01693

SCREW-RACK SET

1шт.

112

XJAF-01608

BOLT ASSY-HIGH SPEED

1шт.

113

XJAF-01616

BOLT-HIGH SPEED SET

1шт.

114

XJAF-01618

NUT

1шт.

115

XJAF-01612

C-RING

1шт.

116

XJAF-01620

C-RING

1шт.

117

XJAF-01686

SPRING-START

1шт.

118

XJAF-01687

COVER-GOV SHAFT

1шт.

119

XJAF-01689

SHIM-GOVERNOR SHAFT

1шт.

120

XJAF-01690

SHAFT

1шт.

121

XJAF-01691

LEVER-GOV SPRING

1шт.

122

XJAF-01692

LEVER-SPEED CONTROL

1шт.

123

XJAF-01694

BOLT-LOW IDLE SET

1шт.

124

XJAF-01685

LEVER ASSY-TENSION

1шт.

125

XJAF-01700

CASE-GOVERNOR

1шт.

126

XJAF-01696

LEVER ASSY-GOVERNOR

1шт.

127

XJAF-01735

TIE-ROD

1шт.

128

XJAF-01736

SPRING-TIE ROD

1шт.

2

XJAF-01698

GASKET-GOV CASE

1шт.

3

XJAF-01695

SHAFT-SLIDING SLEEVE

1шт.

4

XJAF-01699

SLEEVE-SLIDING

1шт.

5

XJAF-01697

WEIGHT ASSY

1шт.

6

XJAF-01855

BOLT

3шт.

7

XJAF-01688

BOLT-COV CASE

1шт.

8

XJAF-02083

COVER-TIE ROD

1шт.

9

XJAF-01557

GASKET-TIE-ROD COVER

1шт.

10

XJAF-01859

BOLT-W/WASHER

4шт.

11

XJAF-01619

COVER

1шт.

12

XJAF-01613

COVER

1шт.

Выбрано товаров: 39