Запчасти Hyundai R35-7Z PAGE 9030 FLYWHEEL HOUSING & OIL SUMP ДВИГАТЕЛЬ БАЗА

Схема запчастей Hyundai R35-7Z - PAGE 9030 FLYWHEEL HOUSING & OIL SUMP ДВИГАТЕЛЬ БАЗА
FIT
1:1
100%

Артикул

Название

Примечание

Количество

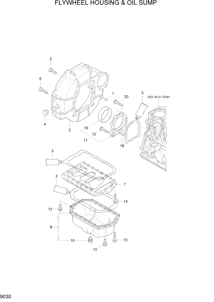
1

XJAU-00018

PIN-PARALLEL

2шт.

2

XJAU-00679

HOUSING-FLYWHEEL

1шт.

3

XJAU-00678

GASKET-LIQUID

1шт.

4

XJAU-00851

CAP-FLYWHEEL COVER

1шт.

5

XJAU-00308

BOLT

6шт.

6

XJAU-00681

BOLT M10X30

4шт.

7

XJAU-00682

SPACER, OIL SUMP

1шт.

9

XJAU-00683

SUMP ASSY, LUB OIL

1шт.

10

XJAU-00045

COCK-OIL DRAIN

1шт.

12

XJAU-00105

BOLT-PLATED

3шт.

13

XJAU-00029

BOLT-PLATED

4шт.

14

XJAU-00392

BOLT-PLATED

2шт.

15

XJAU-00032

BOLT-PLATED

20шт.

16

XJAU-00018

PIN-PARALLEL

2шт.

17

XJAU-00684

CASE ASSY-OIL SEAL

1шт.

19

XJAU-00685

SEAL-OIL

1шт.

20

XJAU-00852

BOLT M8X30-COLLAR HD

6шт.

Выбрано товаров: 0