Запчасти Hyundai R35-7Z PAGE 6420 SWING BEARING GROUP СТРУКТУРА

Схема запчастей Hyundai R35-7Z - PAGE 6420 SWING BEARING GROUP СТРУКТУРА
FIT
1:1
100%

Артикул

Название

Примечание

Количество

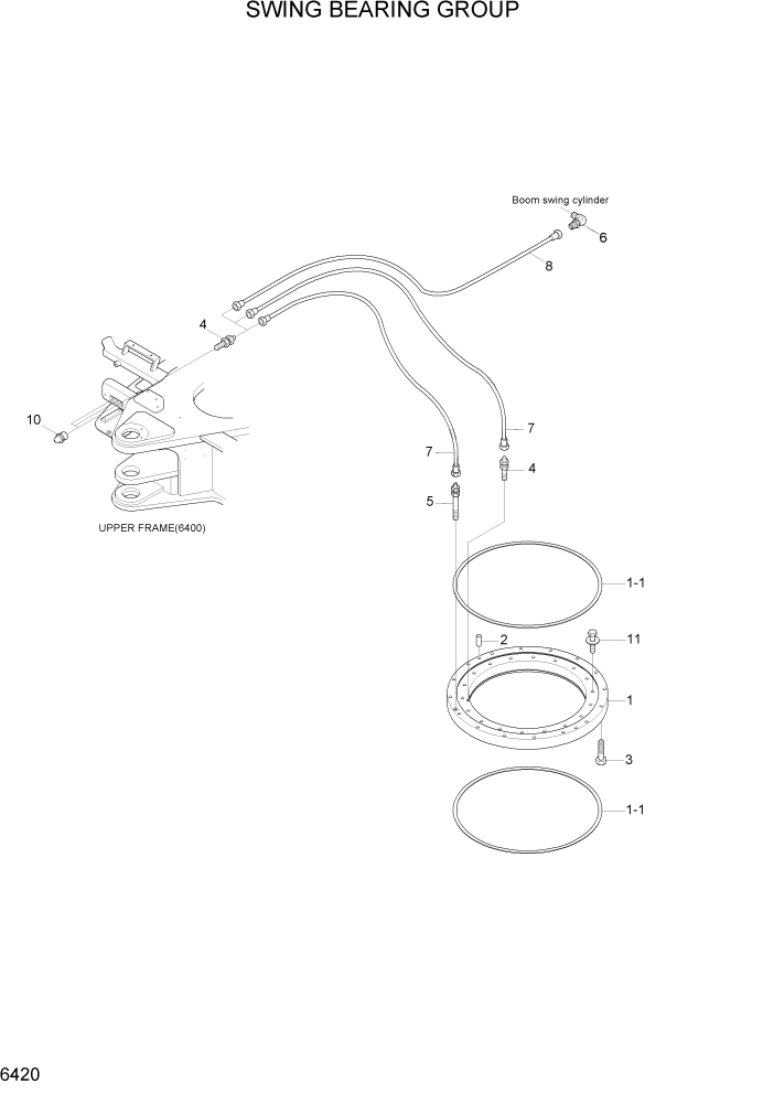
1

81MH-01020

SWING BEARING

1шт.

1-1

81MH-10040

SEAL

2шт.

2

S510-122800

PIN-DOWEL

2шт.

3

S017-120656

BOLT-HEX

16шт.

4

81M6-00010

CONNECTOR-STRAIGHT

4шт.

5

81M6-00030

CONNECTOR-LONG

1шт.

6

81M6-00020

CONNECTOR-ELBOW

1шт.

7

81MH-00120

TUBE

2шт.

8

81MH-00130

TUBE

1шт.

10

S651-810002

NIPPLE-GREASE

3шт.

11

S018-120656

BOLT-HEX

18шт.

Выбрано товаров: 11