Запчасти Hyundai R35Z-7A PAGE 9050 SUCTION MANIFOLD ДВИГАТЕЛЬ БАЗА

Схема запчастей Hyundai R35Z-7A - PAGE 9050 SUCTION MANIFOLD ДВИГАТЕЛЬ БАЗА
FIT
1:1
100%

Артикул

Название

Примечание

Количество

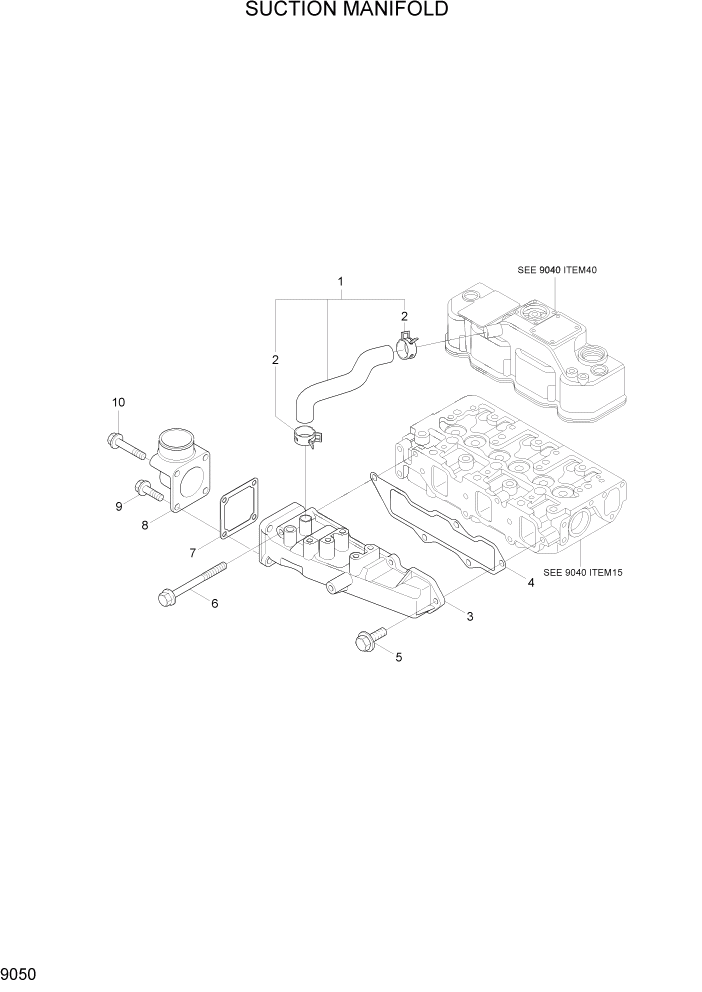
1

XJAU-00709

PIPE-BREATHER

1шт.

2

XJAU-00710

CLAMP 24

2шт.

3

XJAU-00711

MANIFOLD, INTAKE

1шт.

4

XJAU-00712

GASKET-MAIFOLD

1шт.

5

XJAU-00030

BOLT-PLATED

4шт.

6

XJAU-00509

BOLT-PLATED

1шт.

7

XJAU-00715

GASKET-(NON-ASB.)

1шт.

8

XJAU-00716

BEND

1шт.

9

XJAU-00392

BOLT-PLATED

2шт.

10

XJAU-01035

BOLT-PLATED

2шт.

Выбрано товаров: 10