Запчасти Hyundai R35Z-7A PAGE 9100 COOLING WATER SYSTEM ДВИГАТЕЛЬ БАЗА

Схема запчастей Hyundai R35Z-7A - PAGE 9100 COOLING WATER SYSTEM ДВИГАТЕЛЬ БАЗА
FIT
1:1
100%

Артикул

Название

Примечание

Количество

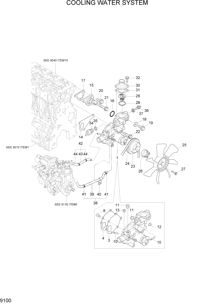
1

XJAU-00758

PUMP ASSY-WATER

1шт.

3

XJAU-00759

GASKET-(NON-ASB.)

1шт.

4

XJAU-00760

PLATE

1шт.

8

XJAU-00761

SCREW

3шт.

10

XJAU-00762

JOINT

2шт.

11

XJAU-00764

PLUG-DRAIN R03

2шт.

12

XJAU-00763

PLUG-PT1/8

1шт.

13

XJAU-00052

PLUG-SCREW

1шт.

14

XJAU-00765

GASKET

1шт.

15

XJAU-00766

JOINT

1шт.

16

XJAU-00767

O-RING

1шт.

17

XJAU-00768

GASKET-THERMO CASE

1шт.

18

XJAU-00176

GASKET-ROUND

1шт.

19

XJAU-00046

BOLT-PLATED

1шт.

20

XJAU-00029

BOLT-PLATED

3шт.

21

XJAU-00032

BOLT-PLATED

1шт.

22

XJAU-00080

BOLT-PLATED

3шт.

23

XJAU-00769

V-PULLEY(D=120)

1шт.

24

XJAU-01042

V-BELT

1шт.

25

XJAU-00771

FAN-COOLING (D=360)

1шт.

26

XJAU-01043

SPACER

1шт.

27

XJAU-00571

BOLT-PLATED

4шт.

28

XJAU-00773

THERMOSTAT(71)

1шт.

29

XJAU-00774

GASKET-(NON-ASB.)

1шт.

30

XJAU-00776

COVER-THERMOSTAT

1шт.

31

XJAU-00777

GASKET-(NON-ASB.)

1шт.

32

XJAU-00195

BOLT-PLATED

2шт.

33

XJAU-00180

PLUG-DRAIN

1шт.

34

XJAU-00779

SWITCH-THERMO(110 C)

1шт.

35

XJAU-00183

GASKET

1шт.

36

XJAU-00780

THERMOMETER

1шт.

37

XJAU-00781

GASKET 10

1шт.

38

XJAU-00782

PIPE ASSY

1шт.

39

XJAU-00783

PIPE ASSY, A MP2

1шт.

40

XJAU-00784

CLAMP, CW-T

1шт.

41

XJAU-00187

CLAMP

2шт.

42

XJAU-00786

PIPE ASSY

1шт.

43

XJAU-00787

PIPE-WATER

1шт.

44

XJAU-00187

CLAMP

2шт.

Выбрано товаров: 39