Запчасти Hyundai R35Z-7A PAGE 9120 GOVERNOR ДВИГАТЕЛЬ БАЗА

Схема запчастей Hyundai R35Z-7A - PAGE 9120 GOVERNOR ДВИГАТЕЛЬ БАЗА
FIT
1:1
100%

Артикул

Название

Примечание

Количество

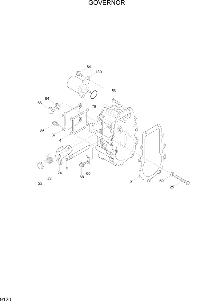
3

XJAU-00800

PACKING-CASE

1шт.

4

XJAU-00801

PACKING

1шт.

6

XJAU-00557

O-RING S6

1шт.

22

XJAU-00558

NUT

1шт.

23

XJAU-00559

SPRING

1шт.

24

XJAU-00802

LEVER-REGULATOR

1шт.

25

XJAU-00562

BOLT-IDLE LIMIT

1шт.

60

XJAU-00564

RETAINER-SHAFT

1шт.

64

XJAU-00803

SEAL WASHER

1шт.

66

XJAU-00547

PLUG

1шт.

68

XJAU-00549

BOLT-PLATED

1шт.

69

XJAU-00567

NUT-LOCK

1шт.

78

XJAU-00804

O-RING

1шт.

84

XJAU-00569

BOLT-PLATED

2шт.

85

XJAU-00569

BOLT-PLATED

4шт.

86

XJAU-00472

BOLT

10шт.

87

XJAU-01048

COVER-CASE

1шт.

130

XJAU-00474

SOLENOID-FUEL STOP

1шт.

Выбрано товаров: 18