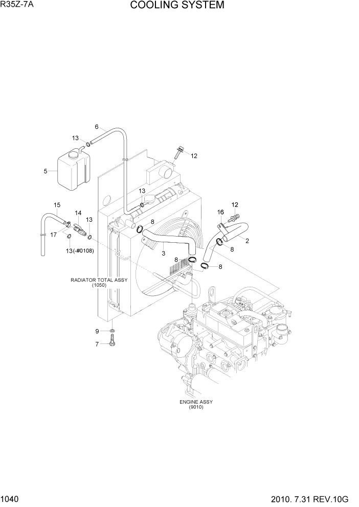
Запчасти Hyundai R35Z-7A PAGE 1040 COOLING SYSTEM СИСТЕМА ДВИГАТЕЛЯ

Схема запчастей Hyundai R35Z-7A - PAGE 1040 COOLING SYSTEM СИСТЕМА ДВИГАТЕЛЯ
FIT
1:1
100%

Артикул

Название

Примечание

Количество

2

11MH-40200

HOSE

1шт.

3

11MH-40210

HOSE

1шт.

5

11M8-42300

TANK-RESERVOIR

1шт.

6

11M8-40330

HOSE ASSY

1шт.

7

S017-100356

BOLT-HEX

3шт.

8

S572-400006

CLAMP-HOSE,WIRE TYPE

4шт.

9

S403-10500B

WASHER-PLAIN

3шт.

12

S035-082526

BOLT-W/WASHER

2шт.

13

S520-015000

CLAMP-HOSE

#0108

4шт.

13

11HA-50110

CLIP-HOSE

#0109

3шт.

14

11S1-0035

SHUT OFF VALVE

1шт.

15

11N1-50040

HOSE-DRAIN

1шт.

16

S543-400002

CLAMP-TUBE

#0108

1шт.

16

31F7-70440

CLAMP-TUBE

#0109

1шт.

17

33HA-83350

CLIP-HOSE

#0109

1шт.

Выбрано товаров: 15