Запчасти Hyundai R35Z-7A PAGE 1060 FUEL SYSTEM СИСТЕМА ДВИГАТЕЛЯ

Схема запчастей Hyundai R35Z-7A - PAGE 1060 FUEL SYSTEM СИСТЕМА ДВИГАТЕЛЯ
FIT
1:1
100%

Артикул

Название

Примечание

Количество

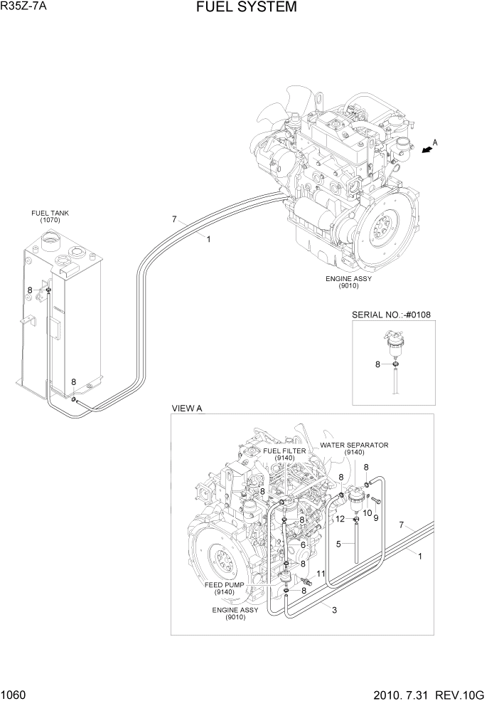
1

11MH-50030

HOSE

1шт.

3

11MH-53000

HOSE

1шт.

5

11FA-53080

HOSE-FUEL

1шт.

6

11M8-53170

HOSE

1шт.

7

11MH-50040

HOSE-FUEL

1шт.

8

S520-015000

CLAMP-HOSE

#0108

9шт.

8

11HA-50110

CLIP-HOSE

#0109

8шт.

9

S015-080706

BOLT-HEX

1шт.

10

S403-082006

WASHER-PLAIN

1шт.

11

S035-061526

BOLT-W/WASHER

2шт.

12

11HA-50100

CLIP-HOSE

#0109

1шт.

Выбрано товаров: 11