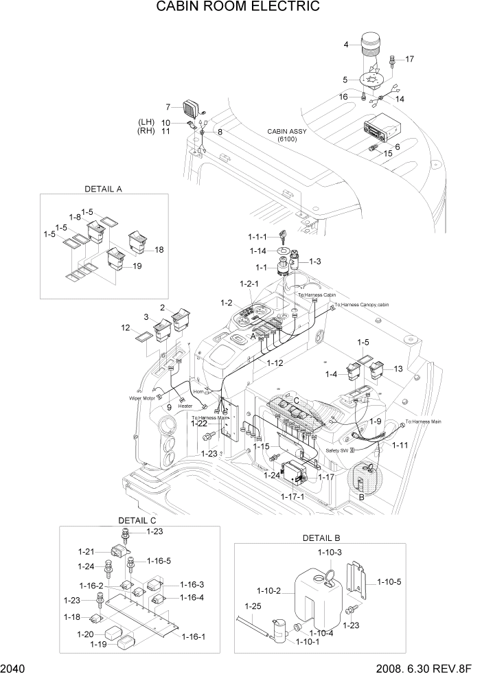
Запчасти Hyundai R35Z-7A PAGE 2040 CABIN ROOM ELECTRIC ЭЛЕКТРИЧЕСКАЯ СИСТЕМА

Схема запчастей Hyundai R35Z-7A - PAGE 2040 CABIN ROOM ELECTRIC ЭЛЕКТРИЧЕСКАЯ СИСТЕМА
FIT
1:1
100%

Артикул

Название

Примечание

Количество

1

21MH-00301

KIT ASSY-ELEC.SET BASE

CABIN TYPE

1шт.

1-1

21MH-00100

SWITCH-START

1шт.

N1-1-1

21N4-10400K

KEY-START

NOT

1шт.

1-2

21MH-00650

MONITOR ASSY

1шт.

1-2-1

21MH-00660

HOUR METER

1шт.

1-3

21S4-01110

LIGHTER-CIGAR

1шт.

1-4

21M8-01101

SWITCH-MAIN LIGHT

1шт.

1-4-1

21L7-02170

INSERT-MAIN LIGHT

1шт.

1-5

21E6-10460

COVER

4шт.

1-8

21MH-00121

SWITCH-TRAVEL 1/2 SPEED

1шт.

1-9

21MH-00670

SWITCH-CUT OFF

1шт.

1-1

21M8-00090

WASHER TANK ASSY(12V)

1шт.

1-10-1

21M8-00100

MOTOR

1шт.

1-10-2

21EL-00180

TANK

1шт.

1-10-3

21EL-00190

CAP

1шт.

1-10-4

21EL-00200

RUBBER-PUSH

1шт.

1-10-5

24L3-30710

PLATE

1шт.

1-11

21MH-00051

HARNESS-STAND,LH

1шт.

1-12

21MH-00361

HARNESS-STAND,RH

1шт.

1-15

21MH-00211

PLATE

1шт.

1-16

21MH-00151

RELAY BOARD ASSY

1шт.

1-16-1

21MH-00161

PLATE-RELAY BOARD

1шт.

1-16-2

21S7-00110

RELAY-POWER

2шт.

1-16-3

F12860010

DETECTOR

1шт.

1-16-4

21E3-0011

RELAY

1шт.

1-16-5

S131-051046

SCREW-W/WASHER

4шт.

1-17

21MH-00371

HARNESS-RELAY BOARD

1шт.

1-17-1

F12890010

CASE-FUSE BOX

1шт.

1-18

21S7-00110

RELAY-POWER

1шт.

1-19

XJAU-00289

TIMER

1шт.

1-2

XJAU-00637

TIMER-AIR HEATER

1шт.

1-21

XJAU-00461

RELAY-SAFETY

1шт.

1-22

21MH-00521

PLATE

1шт.

1-23

S131-051546

SCREW-W/WASHER

10шт.

1-24

S035-061526

BOLT-W/WASHER

7шт.

1-25

21EM-30581

HOSE-RUBBER

1шт.

2

21M6-53300

SWITCH-WIPER/WASHER

1шт.

3

21S4-09040

SWITCH-HEATER

1шт.

4

F23842010

STROBE LAMP-RED

1шт.

5

21MH-00580

BRACKET-BEACON LAMP

1шт.

6

21M8-40010

CASSETTE RADIO

#0006

1шт.

6

21M8-40020

CASSETTE RADIO

#0007

1шт.

7

21M8-01300

LAMP-WORK

2шт.

8

21MH-00070

HARNESS-EXT,LAMP CABIN

2шт.

9

21MH-00042

HARNESS-HEATER&WIPER

1шт.

10

25D1-10640

CLIP ASSY

1шт.

11

25D1-10650

CLIP ASSY

1шт.

12

21E6-10460

COVER

1шт.

13

21S1-31600

SWITCH-BEACON

1шт.

14

21MH-00080

HARNESS-BEACON LAMP

1шт.

15

S131-051546

SCREW-W/WASHER

4шт.

16

S132-061026

SCREW-W/WASHER

3шт.

17

S035-082026

BOLT-W/WASHER

2шт.

18

21M6-53850

SWITCH-QUICK CLAMP

1шт.

19

21M6-53800

SW-TRAVEL ALARM

1шт.

N

@

NOT SUPPLIED PARTS

NOT

ARшт.

Выбрано товаров: 56