Запчасти Hyundai R35Z-7A PAGE 6510 DOZER BLADE СТРУКТУРА

Схема запчастей Hyundai R35Z-7A - PAGE 6510 DOZER BLADE СТРУКТУРА
FIT
1:1
100%

Артикул

Название

Примечание

Количество

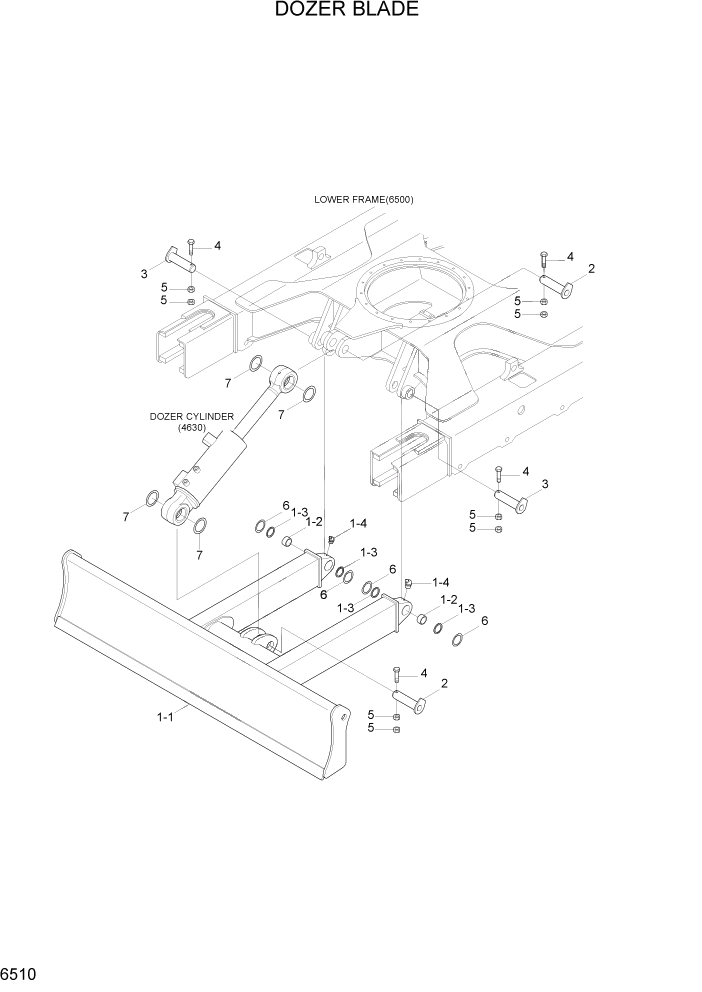
1

51MH-51000

DOZER BLADE ASSY

1шт.

1-1

51MH-51011

DOZER BLADE WA

1шт.

1-2

X112-401040

BUSHING

2шт.

1-3

S700-040104

DUST SEAL-DKIY TYPE

4шт.

1-4

S652-810002

NIPPLE-GREASE

2шт.

2

61MH-51731

PIN

2шт.

3

61MH-51741

PIN

2шт.

4

S017-120956

BOLT-HEX

4шт.

5

S205-121006

NUT-HEX

8шт.

6

S391-040075

SHIM-ROUND(1.0T)

6шт.

7

S391-045080

SHIM-ROUND(1.0T)

4шт.

Выбрано товаров: 0