Запчасти Hyundai R35Z-7A PAGE 7400 BUCKET CONTROL GROUP РАБОЧЕЕ ОБОРУДОВАНИЕ

Схема запчастей Hyundai R35Z-7A - PAGE 7400 BUCKET CONTROL GROUP РАБОЧЕЕ ОБОРУДОВАНИЕ
FIT
1:1
100%

Артикул

Название

Примечание

Количество

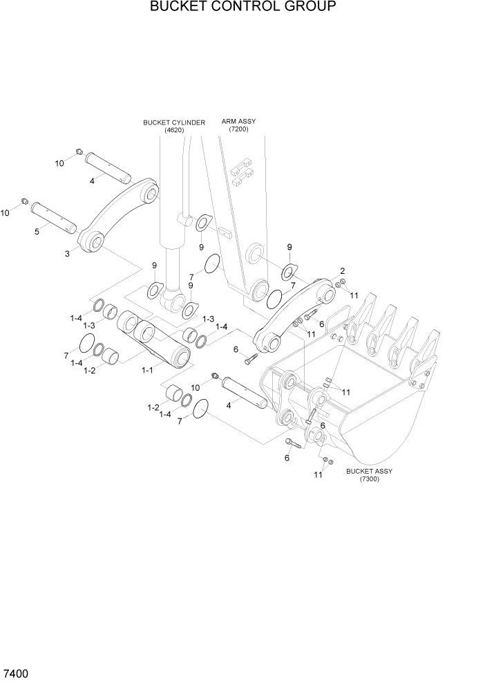
1

61MH-40010

CONTROL ROD ASSY

1шт.

1-1

61MH-40100

CONTROL ROD WA

1шт.

1-2

61MH-15030

BUSHING-OILLESS

2шт.

1-3

61MH-15041

BUSHING-OILESS

2шт.

1-4

S700-040104

DUST SEAL-DKIY TYPE

6шт.

2

61MH-40020

CONTROL LINK WA-RH

1шт.

3

61MH-40030

CONTROL LINK WA-LH

1шт.

4

61MH-01501

PIN

3шт.

5

61MH-02501

PIN

1шт.

6

S017-120906

BOLT-HEX

4шт.

7

61M8-30511

O-RING

4шт.

9

61MH-08300

SHIM(1.0T)

9шт.

10

S651-810002

NIPPLE-GREASE

4шт.

11

S205-12100B

NUT-HEX

8шт.

Выбрано товаров: 0