Качественные детали и логистика
Оригинальные и аналоговые запчасти с доставкой по России, Казахстану и Беларуси
©2022 PartSell ООО "Система" ИНН 2463123282 ОГРН 1212400004838
Центральный офис: г. Красноярск, Академика Киренского, д.87, пом.4
Телефон: 8 (800) 777-65-74 Email: zakaz@partsell.ru
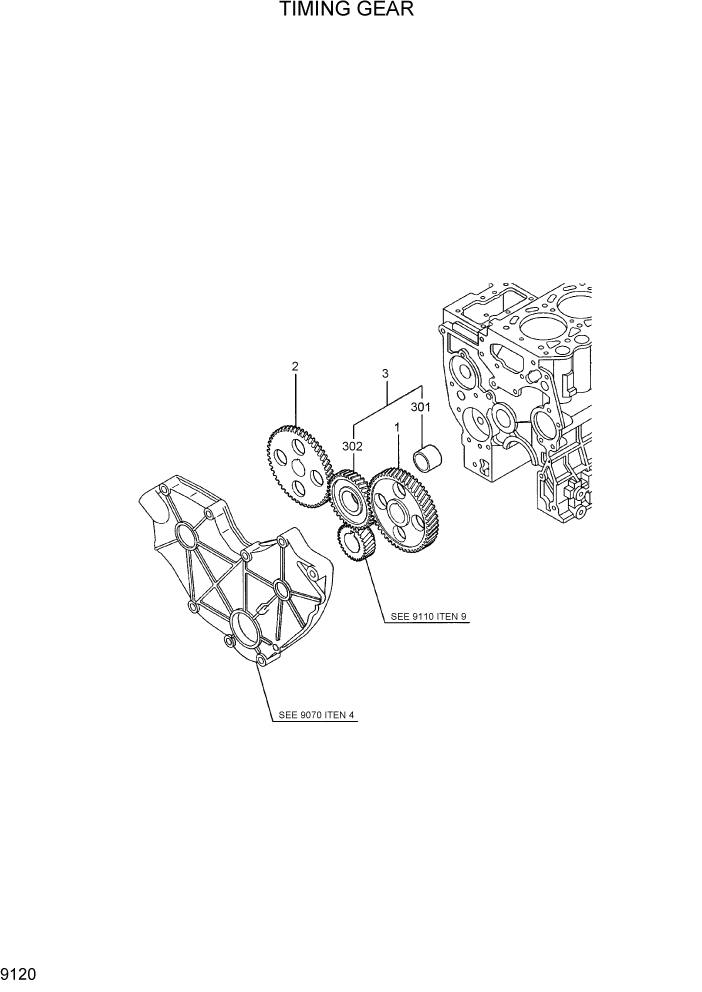
PAGE 9120 TIMING GEAR
№
Артикул
Название
Примечание
Количество
1
XJAF-01665
GEAR-CAMSHAFT
1шт.
2
XJAF-01662
GEAR-INJECTION PUMP
3
XJAF-01663
GEAR ASSY-IDLER
301
XJAF-01661
BUSHING-IDLER
302
@
GEAR-IDLER
NOT
N
NOT INDIVIDUALLY SUPPLIED
ARшт.
Выбрано товаров: 0