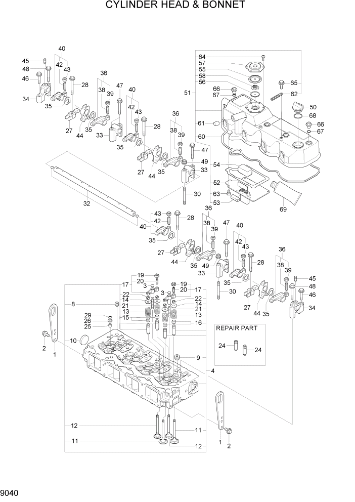
Запчасти Hyundai R55-7A PAGE 9040 CYLINDER HEAD & BONNET ДВИГАТЕЛЬ БАЗА

Схема запчастей Hyundai R55-7A - PAGE 9040 CYLINDER HEAD & BONNET ДВИГАТЕЛЬ БАЗА
FIT
1:1
100%

Артикул

Название

Примечание

Количество

1

XJAU-00047

LIFTER-ENGINE

2шт.

2

XJAU-00029

BOLT-PLATED

4шт.

3

XJAU-00048

SEAT A-VALVE BRIDGE

8шт.

4

XJAU-00861

HEAD ASSY-CYLINDER

1шт.

8

XJAU-00052

PLUG-SCREW

1шт.

9

XJAU-00007

PLUG-SCREW

4шт.

10

XJAU-00053

PLUG

1шт.

11

XJAU-00054

VALVE-INTAKE

8шт.

12

XJAU-00055

VALVE-EXHAUST

8шт.

13

XJAU-00056

SPRING-VALVE

16шт.

14

XJAU-00057

RETAINER-SPRING

16шт.

15

XJAU-00862

SEAL-VALVE STEM

8шт.

16

XJAU-00058

SEAL-VALVE STEM

8шт.

17

XJAU-00479

BRIDGE ASSY-VALVE

8шт.

19

XJAU-00335

NUT

8шт.

20

XJAU-00062

SCREW-VALVE BRIDGE

8шт.

21

XJAU-00051

GUIDE-VALVE BRIDGE

8шт.

22

XJAU-00063

COTTER ASSY

16шт.

24

XJAU-00050

GUIDE-VALVE

16шт.

25

XJAU-00098

PROTECTOR-NOZZLE

4шт.

26

XJAU-00064

SEAT-NOZZLE

4шт.

27

XJAU-00081

RETAINER-F.I.VALVE

4шт.

28

XJAU-00082

FLANGE BOLT-RETAINER

4шт.

29

XJAU-00065

O-RING

4шт.

30

XJAU-00066

BOLT

2шт.

31

XJAU-00067

SUPPORT CMP

1шт.

32

XJAU-00068

SHAFT-ROCKER ARM

1шт.

33

XJAU-00069

SUPPORT A

3шт.

34

XJAU-00070

SUPPORT B

2шт.

35

XJAU-00072

WASHER-WAVE

8шт.

36

XJAU-00073

ARM ASSY-ROCKER

4шт.

38

XJAU-00074

SCREW-VALVE

4шт.

39

XJAU-00335

NUT

4шт.

40

XJAU-00076

ARM ASSY-ROCKER

4шт.

42

XJAU-00074

SCREW-VALVE

4шт.

43

XJAU-00335

NUT

4шт.

44

XJAU-00077

PEDESTAL-RETAINER

4шт.

45

XJAU-00078

STUD-PLATED

2шт.

46

XJAU-00031

BOLT-PLATED

2шт.

47

XJAU-00080

BOLT-PLATED

4шт.

48

XJAU-00080

BOLT-PLATED

2шт.

49

XJAU-00083

NUT

2шт.

50

XJAU-00034

COVER-FILLER

1шт.

51

XJAU-00863

BONNET ASSY

1шт.

52

XJAU-00480

BAFFLE PLATE

1шт.

53

XJAU-00481

BAFFLE

1шт.

54

XJAU-00087

BAFFLE

1шт.

55

XJAU-00482

DIAPHRAGM-BREATHER

1шт.

56

XJAU-00483

PLATE-CENTER

1шт.

57

XJAU-00484

PLATE-BREATHER

1шт.

58

XJAU-00485

SPRING-DIAPHRAGM

1шт.

60

XJAU-00864

GASKET-BONNET

1шт.

61

XJAU-00094

PLUG

1шт.

62

XJAU-00865

CLIP

2шт.

63

XJAU-00095

SCREW-TAPPING

6шт.

64

XJAU-00095

SCREW-TAPPING

6шт.

65

XJAU-00178

BOLT

2шт.

66

XJAU-00096

KNOB-BONNET

4шт.

67

XJAU-00065

O-RING

4шт.

68

XJAU-00037

O-RING

1шт.

69

XJAU-00678

GASKET-LIQUID

ARшт.

Выбрано товаров: 61