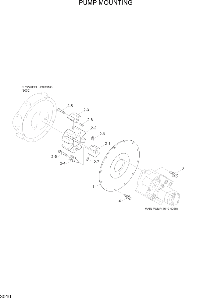
Запчасти Hyundai R55-7A PAGE 3010 PUMP MOUNTING ГИДРАВЛИЧЕСКАЯ СИСТЕМА

Схема запчастей Hyundai R55-7A - PAGE 3010 PUMP MOUNTING ГИДРАВЛИЧЕСКАЯ СИСТЕМА
FIT
1:1
100%

Артикул

Название

Примечание

Количество

1

11M8-10001

HOUSING-PUMP

1шт.

2

11M8-10010

COUPLING ASSY

1шт.

2-1

11M8-10020

HUB-SPLINE

1шт.

2-2

11M8-10030

ELEMENT-25H

1шт.

2-3

11M8-10040

INSERT A-25H

3шт.

2-4

11M8-10050

INSERT R-25H

3шт.

2-5

S109-140406

BOLT-SOCKET

6шт.

2-6

S472-500106

PIN-SPRING

6шт.

2-7

S472-500226

PIN-SPRING

3шт.

2-8

11M8-10060

CLAMP BOLT-25H

6шт.

3

S037-123056

BOLT-W/WASHER

2шт.

4

S037-102556

BOLT-W/WASHER

12шт.

Выбрано товаров: 12