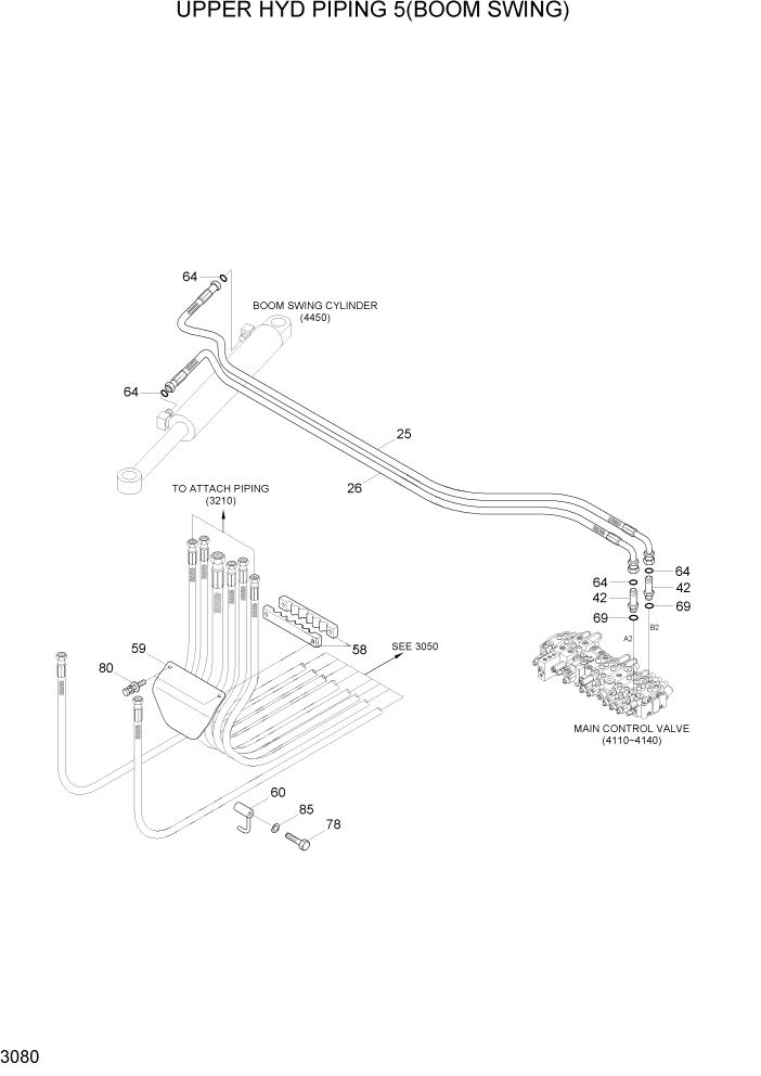
Запчасти Hyundai R55-7A PAGE 3080 UPPER HYDRAULIC PIPING 5(B/SWING) ГИДРАВЛИЧЕСКАЯ СИСТЕМА

Схема запчастей Hyundai R55-7A - PAGE 3080 UPPER HYDRAULIC PIPING 5(B/SWING) ГИДРАВЛИЧЕСКАЯ СИСТЕМА
FIT
1:1
100%

Артикул

Название

Примечание

Количество

25

P930-065042

HOSE ASSY-ORFS 0X90

1шт.

26

P930-065038

HOSE ASSY-ORFS 0X90

1шт.

42

X511-108524

CONNECTOR-LONG,ORFS

2шт.

58

31M8-11061

CLAMP-RUBBER

1шт.

59

31M8-11072

COVER-SWING POST

1шт.

60

31M8-11082

GUIDE-HOSE

2шт.

64

S621-012001

O-RING

4шт.

69

S631-018004

O-RING

2шт.

78

S017-120756

BOLT-HEX

2шт.

80

S037-102526

BOLT-W/WASHER

2шт.

85

S403-10200B

WASHER-PLAIN

2шт.

Выбрано товаров: 11