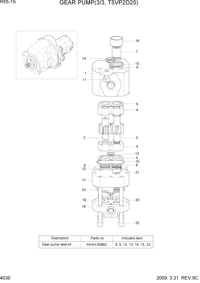
Запчасти Hyundai R55-7A PAGE 4030 GEAR PUMP(3/3, T5VP2D25) ГИДРАВЛИЧЕСКИЕ КОМПОНЕНТЫ

Схема запчастей Hyundai R55-7A - PAGE 4030 GEAR PUMP(3/3, T5VP2D25) ГИДРАВЛИЧЕСКИЕ КОМПОНЕНТЫ
FIT
1:1
100%

Артикул

Название

Примечание

Количество

*

@

MAIN PUMP

NOT

1шт.

*-2

XKAH-00855

GEAR PUMP ASSY

STD

1шт.

*-2

XKAH-00917

GEAR PUMP ASSY

LOW NOISE

1шт.

1

XKAH-00858

CASING-GEAR

STD

1шт.

1

XKAH-00925

CASING-GEAR

LOW NOISE

1шт.

2

XKAH-00764

GEAR-DRIVING

1шт.

3

XKAH-00763

GEAR-DRIVEN

1шт.

4

XKAH-00762

SIDE PLATE ASSY

2шт.

5

XKAH-00761

PLATE

2шт.

6

XKAH-00760

GUIDE

2шт.

7

XKAH-00759

COUPLING-SPLINE

1шт.

K8

XKAH-00758

O-RING

2шт.

K9

XKAH-00767

O-RING

2шт.

K10

XKAH-00768

RING-SQUARE

1шт.

11

XKAH-00770

BOLT-SOCKET

2шт.

12

XKAH-00771

PIN-PARALLEL

4шт.

K13

XKAH-00772

O-RING

1шт.

K14

XKAH-00773

O-RING

1шт.

K15

XKAH-00774

O-RING

1шт.

16

XKAH-00775

BUSHING

1шт.

17

XKAH-00776

FRAME-CENTER

1шт.

18

XKAH-00777

CASING PILOT

1шт.

19

XKAH-00778

GEAR-DRIVEN

1шт.

20

XKAH-00779

GEAR-DRIVING

1шт.

21

XKAH-00780

COUPLING-SPLINE

1шт.

22

XKAH-00859

BOLT-SOCKET

4шт.

K23

XKAH-00782

O-RING

1шт.

K

XKAH-00862

GEAR PUMP SEAL KIT

SEE ILLUST

1шт.

Выбрано товаров: 28