Запчасти Hyundai R75-7 PAGE A030 VALVE MECHANISM ДВИГАТЕЛЬ БАЗА

Схема запчастей Hyundai R75-7 - PAGE A030 VALVE MECHANISM ДВИГАТЕЛЬ БАЗА
FIT
1:1
100%

Артикул

Название

Примечание

Количество

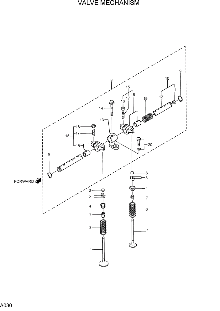
1

XJAF-01746

VALVE-INLET

4шт.

2

XJAF-01136

VALVE-EXHAUST

4шт.

3

XJAF-00580

SPRING-VALVE

8шт.

4

XJAF-00163

RETAINER-UPPER

8шт.

5

XJAF-00164

COTTER-VALVE

16шт.

6

XJAF-00166

CAP

8шт.

7

XJAF-00581

SEAL-VALVE STEM

8шт.

N8

@

ROCKER & SHAFT ASSY

NOT

1шт.

9

XJAF-00582

RING-SNAP

2шт.

10

XJAF-01748

SHAFT ASSY-ROCKER

1шт.

11

XJAF-00188

CAP-SEALING

2шт.

N12

@

SHAFT-ROCKER

NOT

1шт.

13

XJAF-00583

BRACKET-ROCKER SHAFT

4шт.

14

XJAF-00584

BOLT-ROCKER SHAFT

4шт.

15

XJAF-00585

ROCKER ASSY

8шт.

16

XJAF-00148

NUT-JAM

8шт.

17

XJAF-00586

SCREW-ROCKER

8шт.

N18

@

ROCKER & BUSHING

NOT

8шт.

19

XJAF-00588

SPRING-ROCKER

3шт.

20

XJAF-00379

BOLT-W/WASHER

4шт.

N

@

NOT INDIVIDUALLY SUPPLIED

NOT

ARшт.

Выбрано товаров: 21