Запчасти Hyundai R75-7 PAGE A080 TIMING GEAR CASE ДВИГАТЕЛЬ БАЗА

Схема запчастей Hyundai R75-7 - PAGE A080 TIMING GEAR CASE ДВИГАТЕЛЬ БАЗА
FIT
1:1
100%

Артикул

Название

Примечание

Количество

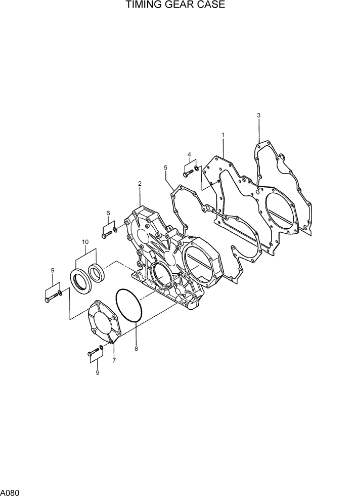
1

XJAF-00622

PLATE-FRONT

1шт.

2

XJAF-00624

CASE-TIMING GEAR

1шт.

3

XJAF-00623

GASKET-FRONT PLATE

1шт.

4

XJAF-00185

BOLT-W/WASHER

5шт.

5

XJAF-00625

GASKET-GEAR CASE

1шт.

6

XJAF-00385

BOLT-W/WASHER

13шт.

7

XJAF-01106

COVER,GEAR CASE

1шт.

8

XJAF-00448

O-RING

1шт.

9

XJAF-00159

BOLT-W/WASHER

5шт.

10

XJAF-00628

SEAL ASSY-OIL

1шт.

Выбрано товаров: 10